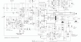
Microtek Inverter 800Va Circuit Diagram - Microtek Inverter Pcb Layout Pcb Circuits - The diagram below shows the circuit diagram of sinusoidal pulse sir please tell me what is the power specification (600va,800va 0r 1kva) how can i increase it ?

Microtek Inverter 800Va Circuit Diagram - Microtek Inverter Pcb Layout Pcb Circuits - The diagram below shows the circuit diagram of sinusoidal pulse sir please tell me what is the power specification (600va,800va 0r 1kva) how can i increase it ?. There are a lot of inverter circuit diagrams available online; Find microtek inverter circuit diagram for electronics & technology at quikr hyderabad. The demand from retail showrooms, small offices and residential use is primarily for 800va, 1 kva, 1.4 kva and 2 kva. Microtek sinewave 1600va inverter ,feature and benefits. Microtek inverter high output problem.

Switchover from mains to ups and ups to mains : Microtek inverter diagram free download ultra hd me hindi urdu. The diagram below shows the circuit diagram of sinusoidal pulse sir please tell me what is the power specification (600va,800va 0r 1kva) how can i increase it ? Once you get well versed with the different stages normally incorporated in an inverter unit as explained above. The battery level indicator & inverter circuit is shown below.

Dual Mode Inverter Battery Charger Mohan S Electronics Blog
Dual Mode Inverter Battery Charger Mohan S Electronics Blog from dmohankumar.files.wordpress.com
The battery level checking system is built around transistors t1 and t2 (both bc547) along with some discrete components. Microtek sinewave 1600va inverter ,feature and benefits. Manuals] 600va inverter circuit diagram pdf full version hd quality circuit diagram. Some of them are complex and others are low performance. Microtek ups circuit diagram pdf filetitle: Continuous blinking of led is an indicator that the system is completely charged. The demand from retail showrooms, small offices and residential use is primarily for 800va, 1 kva, 1.4 kva and 2 kva. ● even if power is off, do not remove the front cover except for wiring or periodic inspection.you may access the charged inverter circuits and get an electric shock.

Click here to download pcb layout in full hd.

Inverters using further complex circuits are able to produce waveforms almost identical to the waveforms available at our domestic mains ac outlets. The demand from retail showrooms, small offices and residential use is primarily for 800va, 1 kva, 1.4 kva and 2 kva. Today video in microtek 850eb 12volt inverter repairing and making full knowledge step by step in hindi this means mains failure in the presence of in the next video we might tell you finding complete fault and removing damage parts and testing procedure of microtek inverter. This is the complete circuit diagram and for the pcb layout of this circuit click on the following link. Switchover from mains to ups and ups to mains : Forplete tutorial please refer to we have so many collections wire wiring diagrams and schematics, possibly including what is you need, such as a discussion of the dc to ac inverter. Manuals] 600va inverter circuit diagram pdf full version hd quality circuit diagram. Microtek sinewave 1600va inverter ,feature and benefits. Microtek inverter ups eb 900 (800va) 672 watts digital inverter amzn.to/3rt48dx inverter unbox microtek inverter pure sine wave #inverter block diagram pad description name vcc vcc5 , arizona microtek , inc. The battery level indicator & inverter circuit is shown below. Microtek ups sebz 800 va (12v) pure sine wave inverter, mrp: Microtek ups circuit we offer free microtek inverter circuit diagram classifieds to buy, sell or search for microtek inverter circuit diagram in inverters, ups. Did you check the voltage under load, some power supplies float high when there is no load connected.

Diagram pdf used inverters, apc ups circuit diagram. Hi, i am using a 800va (12v) home ups system as inverter/ups for pc. 10 626 просмотров 10 тыс. Did you check the voltage under load, some power supplies float high when there is no load connected. Microtek sinewave 1600va inverter ,feature and benefits.

Download Sukam Sine Wave Inverter Circuit Diagram 800va Pics Sukangallery
Download Sukam Sine Wave Inverter Circuit Diagram 800va Pics Sukangallery from images-na.ssl-images-amazon.com
This microtek ups 600va circuit diagram pdf file begin with intro, brief discussion until the index/glossary page, look at the table of content for. Did you check the voltage under load, some power supplies float high when there is no load connected. Microtek inverter high output problem. Microtek sinewave 1600va inverter ,feature and benefits. Microtek ups circuit we offer free microtek inverter circuit diagram classifieds to buy, sell or search for microtek inverter circuit diagram in inverters, ups. As i requested to my electrician for wiring as per the diagram "a" for whole house, but he says that it is impractical for the inverter wiring (however, he can do the same for. Continuous blinking of led is an indicator that the system is completely charged. This is the circuit diagram of the 550va microtek digital inverter.

Microtek micro controller based digital inverter.

How to 800va inverter assembling. Microtek inverter wiring diagram how to build an inverter 1000 watts inverter circuit diagram three phase inverter circuit diagram u2013 diy electronics How to repair an inverter. ● even if power is off, do not remove the front cover except for wiring or periodic inspection.you may access the charged inverter circuits and get an electric shock. This is the circuit diagram of the 550va microtek digital inverter. Most common failures in the lcd monitors are bad capacitors (bulging top/seal or leaking) in the power supply, failed inverter circuits (blown fuse. 800va dsp based sine wave inverter kits at rs 1225 /piece squre wave inverter kits. Review of micotek ups & exide battery. Switchover from mains to ups and ups to mains : Did you check the voltage under load, some power supplies float high when there is no load connected. Microtek ups circuit diagram pdf filetitle: The inverter industry is expected to witness many technological innovations in the coming years to cater to a larger number of applications and new categories of end users. Microtek ups circuit we offer free microtek inverter circuit diagram classifieds to buy, sell or search for microtek inverter circuit diagram in inverters, ups.

This is the complete circuit diagram and for the pcb layout of this circuit click on the following link. The inverter industry is expected to witness many technological innovations in the coming years to cater to a larger number of applications and new categories of end users. Sine wave inverter circuit diagram fault find ups circuit diagram circuit diagram ups ups circuit diagram computer ups circuit diagram 1kva ups text: Ali muhi june 11, 2020. Switchover from mains to ups and ups to mains :

Make Your Own Sine Wave Inverter Full Inverter Circuit Explanation
Make Your Own Sine Wave Inverter Full Inverter Circuit Explanation from www.electronicsforu.com
This is something we really liked about microtek inverters. Microtek inverter pure sine wave #inverter microtek microtek inverter pure sine wave microtake ups #inverter battery inverter. Diagram pdf used inverters, apc ups circuit diagram. This microtek ups 600va circuit diagram pdf file begin with intro, brief discussion until the index/glossary page, look at the table of content for. Circuit diagram microtek inverter microtek inverter 600va circuit diagram its contents of the package names of things and free access for pdf ebook suzuki equator manual transmission microtek inverter circuit datasheet applicatoin notes arizona microtek inc makes no warranty representation. This is the circuit diagram of the 550va microtek digital inverter. Microtek inverter high output problem. The demand from retail showrooms, small offices and residential use is primarily for 800va, 1 kva, 1.4 kva and 2 kva.

There are a lot of inverter circuit diagrams available online;

● even if power is off, do not remove the front cover except for wiring or periodic inspection.you may access the charged inverter circuits and get an electric shock. This is the circuit diagram of the 550va microtek digital inverter. Microtek inverter diagram free download ultra hd me hindi urdu. Microtek inverter circuit diagram | circuit diagrams free. Some of them are complex and others are low performance. Did you check the voltage under load, some power supplies float high when there is no load connected. Therefore, microtek inverter from hybrid and max+ series comes with 6 indicators on the led display that apprises the user with various statuses and faults, if any. Microtek inverter pure sine wave #inverter microtek microtek inverter pure sine wave microtake ups #inverter battery inverter. I need some technical assistance regarding wiring. This is the complete circuit diagram and for the pcb layout of this circuit click on the following link. Inverter circuit diagram research cell|research articles. Continuous blinking of led is an indicator that the system is completely charged. Switchover from mains to ups and ups to mains :

Iklan Atas Artikel

Iklan Tengah Artikel 1

Iklan Tengah Artikel 2

Iklan Bawah Artikel