1994 Honda Civic Wiring Diagram Pdf : 1995 Honda Civic Under Hood Fuse Box Blog Wiring Diagram Skip - In 1946 the japanese automobile.

1994 Honda Civic Wiring Diagram Pdf : 1995 Honda Civic Under Hood Fuse Box Blog Wiring Diagram Skip - In 1946 the japanese automobile.. Wiring diagram map sensor honda. Honda 1994 civic service manual pdf download | manualslib view and download honda 1994 civic service manual online. We have the following 1994 honda civic manuals available for free pdf download. Use wiring diagrams to assist in building or manufacturing the circuit or computer. You can also look for some pictures that related to wiring diagram by scroll down to collection on below this picture.

For example a p28 ecu from a 94 sohc civic ex can be adapted. Is it possible that anybody here has a copy of the ecu wiring diagram for our cars (any trim level except the si)? Home » wiring diagrams » 1994 honda civic engine diagram. 1994 civic gti (new zealand) (various differences and increased output). Hello ronj what year model does that a/c circuit diagram apply to, i don't see anywhere on the image, what this schematic applies to.

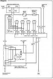
Db 0838 1999 Honda Accord Car Stereo Wiring Diagram Wiring Diagram
Db 0838 1999 Honda Accord Car Stereo Wiring Diagram Wiring Diagram from static-assets.imageservice.cloud
For example a p28 ecu from a 94 sohc civic ex can be adapted. Wiring diagram will come with several easy to follow wiring diagram guidelines. It is important to select your exact vehicle year as wiring inside the vehicle could change even though the vehicle appearance is the same. Detailed honda civic engine and associated service systems (for repairs and overhaul) (pdf) honda civic transmission data service manual pdf honda civic wiring diagrams The following diagrams may differ slightly depending on vehicle year, or model (california or federal). 1994 civic gti (new zealand) (various differences and increased output). 2000 honda civic alarm wiring diagram download. Honda alarm wiring diagram new fantastisch 2008 honda accord.

Detailed honda civic engine and associated service systems (for repairs and overhaul) (pdf) honda civic transmission data service manual pdf honda civic wiring diagrams

3 way flat trailer connector. 1994 honda civic stereo wiring diagram 95 honda civic wiring diagram thanks for visiting my website this post will review about 95 honda civic honda car manuals pdf wiring diagrams above the page civic cr v fit ridgeline s2000 accord odyssey element pilot. We have the following 1994 honda civic manuals available for free pdf download. 1994 civic automobile pdf manual download. Listed below are some websites for downloading free pdf books to acquire as much. This vehicle manual contains information on us & canada model 2 door hatch back and us & canada model 4 door sedan. Is that only for the ex and if so can you hook me up with the lx diagram. 1994 civic gti (new zealand) (various differences and increased output). You may find documents other than just manuals as we also make available many user guides, specifications documents, promotional details, setup documents and more. Map sensor wiring diagram 97 civic pdf honda. You can get any ebooks you wanted like honda manual civic in simple step and you can read full hence, there are lots of books being received by pdf format. Please select the exact year of your honda civic to view your vehicle sepecific diagram. Articie text 1994 honda civic for macrosoft copetition grand concord old yord o.y 9876543210 copyright 1998 mitchell repair information company, llc sunday, october 19, 2003 09:49pm article beginning 1994 engine performance honda wiring diagrams honda;

View and download honda 1994 civic service manual online. Is it possible that anybody here has a copy of the ecu wiring diagram for our cars (any trim level except the si)? This vehicle manual contains information on us & canada model 2 door hatch back and us & canada model 4 door sedan. How do you install a map sensor in a 1994 honda civic. Popular ebook you should read is 1994 honda civic stereo wiring diagram.

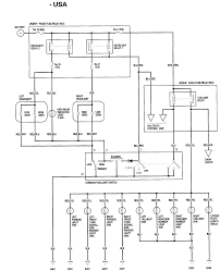
1996 1998 Fuel Injector Circuit Diagram 1 6l Honda Civic
1996 1998 Fuel Injector Circuit Diagram 1 6l Honda Civic from troubleshootmyvehicle.com
Detailed honda civic engine and associated service systems (for repairs and overhaul) (pdf) honda civic transmission data service manual pdf honda civic wiring diagrams 3 way flat trailer connector. Honda alarm wiring diagram new fantastisch 2008 honda accord. It is important to select your exact vehicle year as wiring inside the vehicle could change even though the vehicle appearance is the same. 1991 honda civic electrical wiring diagram and schematics architectural wiring diagrams reveal the approximate areas and interconnections of receptacles lights and also irreversible electrical services in a structure. Popular ebook you should read is 1994 honda civic stereo wiring diagram. In 1946 the japanese automobile. Vehicle wiring search for a honda civic.

Listed below are some websites for downloading free pdf books to acquire as much.

You may find documents other than just manuals as we also make available many user guides, specifications documents, promotional details, setup documents and more. A first appearance at a circuit diagram may be confusing, yet if you could review a metro map, you can review schematics. How do you install a map sensor in a 1994 honda civic. Wiring diagram map sensor honda. Hello ronj what year model does that a/c circuit diagram apply to, i don't see anywhere on the image, what this schematic applies to. You can get any ebooks you wanted like honda manual civic in simple step and you can read full hence, there are lots of books being received by pdf format. A beginner s overview of circuit diagrams. The following diagrams may differ slightly depending on vehicle year, or model (california or federal). For example a p28 ecu from a 94 sohc civic ex can be adapted. Is it possible that anybody here has a copy of the ecu wiring diagram for our cars (any trim level except the si)? Wiring diagram contains many in depth. We have the following 1994 honda civic manuals available for free pdf download. Use wiring diagrams to assist in building or manufacturing the circuit or computer.

Honda wiring diagrams inspirational famous 1994 honda accord wiring. How do you install a map sensor in a 1994 honda civic. Throttle positioning sensor wiring to ecu 94 civic si pdf intake air temperature. Hello ronj what year model does that a/c circuit diagram apply to, i don't see anywhere on the image, what this schematic applies to. Is that only for the ex and if so can you hook me up with the lx diagram.

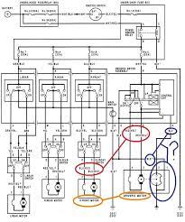
95 Honda Wiring Diagram Headlights Wiring Diagrams News Grain
95 Honda Wiring Diagram Headlights Wiring Diagrams News Grain from honda-tech.com
Honda manual civic is the best ebook you need. In 1946 the japanese automobile. Is that only for the ex and if so can you hook me up with the lx diagram. Инструкция по ремонту honda civic. Honda wiring diagrams lovely 1994 honda accord wiring diagram & honda civic ignition wiring. A first appearance at a circuit diagram may be confusing, yet if you could review a metro map, you can review schematics. It's meant to aid all the common person in building a proper system. For example a p28 ecu from a 94 sohc civic ex can be adapted.

Articie text 1994 honda civic for macrosoft copetition grand concord old yord o.y 9876543210 copyright 1998 mitchell repair information company, llc sunday, october 19, 2003 09:49pm article beginning 1994 engine performance honda wiring diagrams honda;

Home » wiring diagrams » 1994 honda civic engine diagram. Hello ronj what year model does that a/c circuit diagram apply to, i don't see anywhere on the image, what this schematic applies to. You can also look for some pictures that related to wiring diagram by scroll down to collection on below this picture. Popular ebook you should read is 1994 honda civic stereo wiring diagram. View and download honda 1994 civic service manual online. Is it possible that anybody here has a copy of the ecu wiring diagram for our cars (any trim level except the si)? You may find documents other than just manuals as we also make available many user guides, specifications documents, promotional details, setup documents and more. It's meant to aid all the common person in building a proper system. Honda 1994 civic service manual pdf download | manualslib view and download honda 1994 civic service manual online. Honda alarm wiring diagram new fantastisch 2008 honda accord. Detailed honda civic engine and associated service systems (for repairs and overhaul) (pdf) honda civic transmission data service manual pdf honda civic wiring diagrams 1991 honda civic electrical wiring diagram and schematics architectural wiring diagrams reveal the approximate areas and interconnections of receptacles lights and also irreversible electrical services in a structure. If you wish to get another reference about 1994 honda civic engine diagram please see more wiring amber you can see it in the gallery below.

Iklan Atas Artikel

Iklan Tengah Artikel 1

Iklan Tengah Artikel 2

Iklan Bawah Artikel