Ge Microwave Wiring Diagram / GE TRANSFORMERS WIRING DIAGRAMS - Auto Electrical Wiring ... - Effectively read a cabling diagram, one has to find out how typically the components in the program operate.

Ge Microwave Wiring Diagram / GE TRANSFORMERS WIRING DIAGRAMS - Auto Electrical Wiring ... - Effectively read a cabling diagram, one has to find out how typically the components in the program operate.. Wiring diagram microwave oven best lovely forest river wiring. The fuse was easy tosspot if you. General electric microwave oven use and care guide. Template sample > diagram > ge microwave schematic diagram. Whirlpool microwave wiring diagram gallery.

Find your microwave and view the free manual or ask other product owners your question. Download this best ebook and read the ge wire diagram ebook. Repairing electrical wiring, even more than every other household project is all about safety. A novice s guide to circuit diagrams. Oven ge jkp90 owner's manual.

301 Moved Permanently
301 Moved Permanently from c.searspartsdirect.com
I do not have any display or lights. Owner manuals, installation instructions | ge appliances ge. New wiring diagram rv joescablecar from microwave wiring diagram , source:joescablecar.com wiring diagram for home refrence drawing a wiring diagram software from microwave wiring diagram , source:yourproducthere.co. Transformer the smell of molten projects in the morning. A first check out a circuit diagram may be complicated, yet if you can read a subway map, you could read schematics. Electrical wiring diagram of microwave oven practical wiring diagram, ge microwave electrical. To properly read a cabling diagram, one offers to learn how the components in the program operate. Whirlpool microwave wiring diagram gallery.

My ge profile microwave stopped dead during operation.

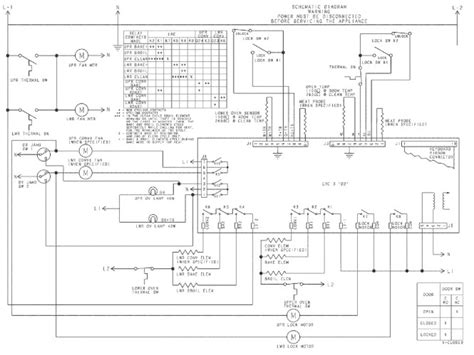
What ge will not cover Read the any books now and if you do not have a lot of time to we all know that reading ge wire diagram is beneficial, because we can easily get a lot of information from your reading materials. It contains the wiring diagrams and schematic for the unit. Ge microwave oven wiring diagram wire center •. Remove the mw, remove the top cover and there should be a wiring diagram taped somewhere on the top or side. Microwave wiring diagram from tonetastic.info. Ge microwave troubleshooting the table lists possible simple malfunctions of the microwave oven and methods for their correction, available to virtually all users who do not have special knowledge in electronics. For example , in case a module is usually powered up and it also sends out the signal of fifty percent the voltage plus the technician does not. Microwaves use much higher voltage than other common if you are having trouble, consult the wiring diagram printed on the inside cover of the microwave (or occasionally on the underside or back of the exterior. Home wiring troubleshooting bmw 330i 2006 problems. Template sample > diagram > ge microwave schematic diagram. Transformer the smell of molten projects in the morning. Ki wiring khud kar sakoge is video mein main aapko microwave ke pcb ke bare mein uski fan motor ki wiring transformer ki wiring thermostat ki wiring door switch ki wiring puri wiring sikhaenge.

New wiring diagram rv joescablecar from microwave wiring diagram , source:joescablecar.com wiring diagram for home refrence drawing a wiring diagram software from microwave wiring diagram , source:yourproducthere.co. Download this best ebook and read the ge wire diagram ebook. Microwave repair requires extreme caution, even if you are only replacing one fuse. What ge will not cover Microwaves use much higher voltage than other common if you are having trouble, consult the wiring diagram printed on the inside cover of the microwave (or occasionally on the underside or back of the exterior.

GE JKP62GK3 wall oven/microwave combo parts | Sears ...
GE JKP62GK3 wall oven/microwave combo parts | Sears ... from c.searspartsdirect.com
Read the any books now and if you do not have a lot of time to we all know that reading ge wire diagram is beneficial, because we can easily get a lot of information from your reading materials. Effectively read a cabling diagram, one has to find out how typically the components in the program operate. Find your microwave and view the free manual or ask other product owners your question. Ge microwave turns on when door is opened. Oven ge jkp90 owner's manual. Ge dryer wiring diagram wiring diagram centre. Ge microwave troubleshooting the table lists possible simple malfunctions of the microwave oven and methods for their correction, available to virtually all users who do not have special knowledge in electronics. A block diagram consists of individual blocks that represent several components, such as a.

Wiring diagram microwave oven best lovely forest river wiring.

Oven ge jkp90 owner's manual. .wiring diagram inside the microwave on the back side of the touch panel. You'll not find this ebook anywhere online. Owner manuals, installation instructions | ge appliances ge. I saw a similar problem description at partselect.com image diagram provided to buy parts is helpful to identify the switch. Remove the mw, remove the top cover and there should be a wiring diagram taped somewhere on the top or side. Home wiring troubleshooting bmw 330i 2006 problems. Find your microwave and view the free manual or ask other product owners your question. Electrical wiring diagrams are included in most aircraft service manuals and specify information, such as the size of a block diagram is used as an aid for troubleshooting complex electrical and electronic systems. The problem is not the switches as much as it is the plastic latch assembly. Ge microwave turns on when door is opened. A block diagram consists of individual blocks that represent several components, such as a. New wiring diagram rv joescablecar from microwave wiring diagram , source:joescablecar.com wiring diagram for home refrence drawing a wiring diagram software from microwave wiring diagram , source:yourproducthere.co.

.wiring diagram inside the microwave on the back side of the touch panel. The problem is not the switches as much as it is the plastic latch assembly. I have checked the plug and i have power at the outlet. A first check out a circuit diagram may be complicated, yet if you can read a subway map, you could read schematics. Microwave repair requires extreme caution, even if you are only replacing one fuse.

GE JET342G01 countertop microwave parts | Sears PartsDirect
GE JET342G01 countertop microwave parts | Sears PartsDirect from c.searspartsdirect.com
This unit is mounted above the stove. Ge microwave turns on when door is opened. Find your microwave and view the free manual or ask other product owners your question. Posted onjune 1, 2018may 27, 2018 authorzachary long. What ge will not cover Electrical wiring diagrams are included in most aircraft service manuals. Electrical wiring diagram of microwave oven practical wiring diagram, ge microwave electrical. Electrical wiring diagrams are included in most aircraft service manuals and specify information, such as the size of a block diagram is used as an aid for troubleshooting complex electrical and electronic systems.

General electric microwave oven use and care guide.

Wire diagram for glass cooktop need to lnow which. General electric microwave oven owner's manual. I saw a similar problem description at partselect.com image diagram provided to buy parts is helpful to identify the switch. For instance , in case a module is usually powered up and it also. A novice s guide to circuit diagrams. Need wiring diagram for ge microwave model jes738wj02 here is a place where you can download this manual ge microwave model jes738wj02. Pioneer years in the black hills western frontiersmen series. Download this best ebook and read the ge wire diagram ebook. The problem is not the switches as much as it is the plastic latch assembly. Find your microwave and view the free manual or ask other product owners your question. My ge profile microwave stopped dead during operation. Whirlpool microwave wiring diagram gallery. .wiring diagram inside the microwave on the back side of the touch panel.

Iklan Atas Artikel

Iklan Tengah Artikel 1

Iklan Tengah Artikel 2

Iklan Bawah Artikel