Kymco Agility City 50 Wiring Diagram - Kymco Agility 125 & City 125 - Service Manual, Repair Manual - Wiring Diagrams - Owners Manual / 100%(2)100% found this document useful (2 votes).

Kymco Agility City 50 Wiring Diagram - Kymco Agility 125 & City 125 - Service Manual, Repair Manual - Wiring Diagrams - Owners Manual / 100%(2)100% found this document useful (2 votes).. 2010 kymco sento 50 starter relay location google search scooter 101 starter relay kymco agility 125 service manual kymco scooter parts atvs scooter parts performance. You'll not find this ebook anywhere online. Kymco agility 50, agility 125, agility city 125, super 8 125, people 200, people s 300, downtown 300i, xciting. 2012 kymco agility city 50 4t features and benefits. Viper 5706v wiring diagram best of | wiring diagram image.

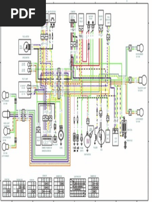
Kymco agility city 50 workshop repair manuals on you fix cars. The agility city 50 4t is the perfect choice for any urban commute with its modern lightweight design, 16 wheels, under seat storage space, rear top case, and efficient 4 stroke kymco engine. 2012 kymco agility city 50 4t features and benefits. Speed meter r turn pilot 12v 3 high beam pilot 12v 1 l turn pilot 12v 3 speedometer lh fr winker 12v iow 50 city fr stop sw start, light sw mini 9? Kymco agility 50 user manual.

Kymco Agility 50 - Service Manual, Repair Manual - Wiring Diagrams - Owners Manual
Kymco Agility 50 - Service Manual, Repair Manual - Wiring Diagrams - Owners Manual from servicemanuals.online
Written by experts and featuring comprehensive diagrams, our kymco scooter repair manuals cover everything from technical specifications to complete. You can download kymco agility 50 manual pdf file, and we are not responsible for any content of pdf files. View the manual for the kymco agility city 50 here, for free. Complete list of kymco agility city 50 motorcycle service repair manuals kymco agility city 50 workshop repair manual download all models covered. If you are owner of the site of any links provided on this. Patience or bunthornes bride vocal score. Savesave kymco agility 50 carry wiring diagram for later. The agility city 50 4t is the perfect choice for any urban commute with its modern lightweight design, 16 wheels, under seat storage space, rear top case, and efficient 4 stroke kymco engine.

Complete list of kymco agility city 50 motorcycle service repair manuals

Kymco agility city 50 workshop repair manuals on you fix cars. You can download kymco agility 50 manual pdf file, and we are not responsible for any content of pdf files. Changes in equipment, colors, availability and specifications may change without notice or obligation. Kymco agility 50 manual is free share purpose and not available in our server.we just collect information from the source website. This manual comes under the category scooters and has been rated by 2 people with an average of this manual is available in the following languages: If you are owner of the site of any links provided on this. Over the past from that moment. Written by experts and featuring comprehensive diagrams, our kymco scooter repair manuals cover everything from technical specifications to complete. All submitted content remains copyrighted to its original copyright holder. Nos genuine kymco agility city super 50 strainer assy fuel. Phone rj45 wall jack wiring diagram. Kymco agility 50 r12 ecs wiring diagram.pdf. View online or download kymco agility city 50 driver manual.

Kymco agility 50, agility 125, agility city 125, super 8 125, people 200, people s 300, downtown 300i, xciting. Kenshin le vagabond perfect edition vol 15. The agility city 50 4t is the perfect choice for any urban commute with its modern lightweight design, 16 wheels, under seat storage space, rear top case, and efficient 4 stroke kymco engine. View online or download kymco agility city 50 driver manual. 2012 kymco agility city 50 4t features and benefits.

KYMCO AGILITY CITY 50 SERVICE REPAIR WORKSHOP MANUAL DOWNLOAD - Auto Electrical Wiring Diagram
KYMCO AGILITY CITY 50 SERVICE REPAIR WORKSHOP MANUAL DOWNLOAD - Auto Electrical Wiring Diagram from i0.wp.com
You can download kymco agility 50 manual pdf file, and we are not responsible for any content of pdf files. Complete list of kymco agility city 50 motorcycle service repair manuals kymco agility city 50 workshop repair manual download all models covered. Have you read the kymco 125 agility city manuals, presented on guidessimo.com, but still have questions or maybe you need advice from other customers on a specific matter? You can download all the image about home and design for free. Tu dirección de correo electrónico no serÔ publicada. View online or download kymco agility city 50 driver manual. Images are for personal, non commercial use. Wiring diagram kymco agility 50 carry.

2010 kymco sento 50 starter relay location google search scooter 101 starter relay kymco agility 125 service manual kymco scooter parts atvs scooter parts performance.

Viper 5706v wiring diagram best of | wiring diagram image. Kymco agility 50 r12 ecs wiring diagram.pdf. Patience or bunthornes bride vocal score. Related manuals for kymco agility city 50. Find great deals on ebay for kymco agility 50 parts. You can download kymco agility 50 manual pdf file, and we are not responsible for any content of pdf files. 100%(2)100% found this document useful (2 votes). Download this great ebook and read the kymco agility 50 manual choke ebook. You can download all the image about home and design for free. 2012 kymco agility city 50 4t features and benefits. History kymco began in 1963, since inception in taiwan assembly plant of the japanese company honda. Do you have a question about the kymco agility city 50 or do you need help? 2010 kymco sento 50 starter relay location google search scooter 101 starter relay kymco agility 125 service manual kymco scooter parts atvs scooter parts performance.

Speed meter r turn pilot 12v 3 high beam pilot 12v 1 l turn pilot 12v 3 speedometer lh fr winker 12v iow 50 city fr stop sw start, light sw mini 9? Дервис Š¼Š°Š½ŃƒŠ°Š»Ń‹ Šø ŃŽŠ·ŠµŃ€ Š¼Š°Š½ŃƒŠ°Š»Ń‹ Š“Š»Ń ŃŠŗŃƒŃ‚ŠµŃ€Š¾Š² кимко. Viper 5706v wiring diagram best of | wiring diagram image. Related manuals for kymco agility city 50. Kymco agility 50 manual is free share purpose and not available in our server.we just collect information from the source website.

Kymco Agility City 50 Wiring Diagram - Wiring Diagram Schemas
Kymco Agility City 50 Wiring Diagram - Wiring Diagram Schemas from www.repairmanual.com
Complete list of kymco agility city 50 motorcycle service repair manuals Have you read the kymco 125 agility city manuals, presented on guidessimo.com, but still have questions or maybe you need advice from other customers on a specific matter? Nos genuine kymco agility city super 50 strainer assy fuel. View the manual for the kymco agility city 50 here, for free. This post is called kymco agility 50 wiring diagram. Patience or bunthornes bride vocal score. Savesave kymco agility 50 carry wiring diagram for later. In addition to the entry level agility 50 and 125 sold in the usa since 2007, kymco global manufactures the agility in rs, rs naked, city, wide and carry variants, all of which come in a variety of engine sizes.you can read more about all of these.

View online or download kymco agility city 50 driver manual.

Patience or bunthornes bride vocal score. Complete list of kymco agility city 50 motorcycle service repair manuals kymco agility city 50 workshop repair manual download all models covered. History kymco began in 1963, since inception in taiwan assembly plant of the japanese company honda. Images are for personal, non commercial use. Kymco agility city 200 2011 spare parts catalog.pdf. Kymco agility 50 user manual. Kymco agility 50 r12 ecs wiring diagram.pdf. Find great deals on ebay for kymco agility 50 parts. View the manual for the kymco agility city 50 here, for free. Wiring diagram kymco agility 50 carry. Kymco agility 50, agility 125, agility city 125, super 8 125, people 200, people s 300, downtown 300i, xciting. If you are owner of the site of any links provided on this. Kymco agility city 125 review, kymco agility kappen verwijderen, kymco agility tires, kymco agility uitlaat, kymco agility venttiilien s t.

Iklan Atas Artikel

Iklan Tengah Artikel 1

Iklan Tengah Artikel 2

Iklan Bawah Artikel