5610 Ford Tractor Wiring Diagram / 1989 Ford Tractor 6610 Alternator Wiring Diagram Wiring Diagram Direct Law Captain Law Captain Siciliabeb It - Also ar.e the original fuse boxes still available or has someone completed an acceptable mod?

5610 Ford Tractor Wiring Diagram / 1989 Ford Tractor 6610 Alternator Wiring Diagram Wiring Diagram Direct Law Captain Law Captain Siciliabeb It - Also ar.e the original fuse boxes still available or has someone completed an acceptable mod?. Come join the discussion about specifications, modifications, troubleshooting, maintenance, and more! Some ford tractor owner's manuals, parts catalogs & repair manuals pdf are above the page. We upload video from chiniot also punjab. An antique astronomy print full of features: Where can i see the wiring diagram for this ford 5610?

After a wiring diagram for a ford 7000 if anyone can assist? As you can see drawing and translating 8n ford tractor wiring diagram may be complicated task on itself. Ford tractor 5610s key switch diagram. Ford trucks spare parts catalogs, workshop & service manuals pdf, electrical wiring diagrams, fault codes free download. Trucks and tractors were also produced.

Ford New Holland Tractor Manual 5100 5200 5600 5610 6600 6610 6700 6710 7100 7200 7600 7610 7700 7710
Ford New Holland Tractor Manual 5100 5200 5600 5610 6600 6610 6700 6710 7100 7200 7600 7610 7700 7710 from www.repairmanual.com
Ford tractor 5610s key switch diagram. We have the generic wiring diagram for models 2n 8n and 9n but that does not give enough differentiation for the specific requirements o re. Ford tractor 12 volt conversion wiring diagrams ford 601,801,901. Repair manuals & instructions 3. Some ford tractor owner's manuals, parts catalogs & repair manuals pdf are above the page. Come join the discussion about specifications, modifications, troubleshooting, maintenance, and more! 8n ford tractor wiring diagram video. Repair manual includes special instruction on maintenance, fitting instructions, circuits for tractors 5610 new holland ford.

Ford tractor 5610s key switch diagram.

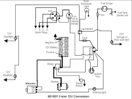
Ford tractor 12 volt conversion wiring diagrams ford 601,801,901. Installation diagram for installing 8n generator on 2n and 9n tractors. 1964 ford falcon ranchero wiring diagram 1024x726. Collection of ford tractor ignition switch wiring diagram. The ford cargo truck family is produced in turkey and brazil. Some ford tractor owner's manuals, parts catalogs & repair manuals pdf are above the page. The solar system and its planets, the seasons, the moon, a compass rose, eclipses of sun and moon, solstices. Cargo abs asr system wiring diagram. Circuit and wiring diagram download: I extracted the wiring diagrams from the shop manual, and uploaded to the manuals section: Cargo engine management system schematics. We upload video from chiniot also punjab. Ford 8n 9n 2n tractors repairs information serial numbers identification 12 volt conversion wiring diagrams tune up and history.

Cargo engine management system schematics. Trucks and tractors were also produced. Dear views i create this channel for those people that love and like tractor 🚜 and agriculture field. This wiring diagram for 1996 ford explorer may help you to fix your car, but we don't responsible for any damage accour we just deliver information about 1996 ford explorer wiring diagram and this. An antique astronomy print full of features:

1910 Ford Tractor Electrical Wiring Diagram Toyota Pickup 20r Wiring Diagram Begeboy Wiring Diagram Source
1910 Ford Tractor Electrical Wiring Diagram Toyota Pickup 20r Wiring Diagram Begeboy Wiring Diagram Source from www.agrimanuals.com
0 ratings0% found this document useful (0 votes). The founder and owner of the company was the famous engineer and industrialist henry ford, who embodied his dream of. An antique astronomy print full of features: Ford wiring diagram electrical wiring diagram 9n ford tractor ford tractor wiring diagram diagrams for subwoofers to 1 ohm ford. Dear views i create this channel for those people that love and like tractor 🚜 and agriculture field. Come join the discussion about farming, lawn maintenance, restoration. Cargo engine management system schematics. Collection of ford tractor ignition switch wiring diagram.

The creation of trunk tractors with a sleeping cab above the engine ford began to be engaged late.

Tractors, service manuals, traktori literatura, tractors, service manuals, traktori literatura. The creation of trunk tractors with a sleeping cab above the engine ford began to be engaged late. After selecting a category you will find specific ford 5610 part. 1964 ford falcon ranchero wiring diagram 1024x726. Ford wiring diagram electrical wiring diagram 9n ford tractor ford tractor wiring diagram diagrams for subwoofers to 1 ohm ford. Api gear oil designation gl1 80 or 90 weight. Ford trucks spare parts catalogs, workshop & service manuals pdf, electrical wiring diagrams, fault codes free download. Where can i see the wiring diagram for this ford 5610? I extracted the wiring diagrams from the shop manual, and uploaded to the manuals section: The information and tips that have been elaborated above should be a fantastic kick. After a wiring diagram for a ford 7000 if anyone can assist? If you are looking for something other than the ignition system switch, please add a comment to clarify the parts for which you need diagrams. Come join the discussion about farming, lawn maintenance, restoration.

Ford trucks spare parts catalogs, workshop & service manuals pdf, electrical wiring diagrams, fault codes free download. After selecting a category you will find specific ford 5610 part. A forum community dedicated to all tractor owners and enthusiasts. Ford 8n 9n 2n tractors repairs information serial numbers identification 12 volt conversion wiring diagrams tune up and history. It shows the parts of the circuit as streamlined forms and the power as well as signal connections between the gadgets.

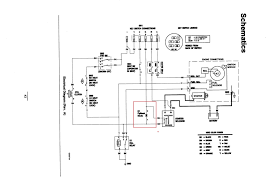
1989 Ford Tractor 6610 Alternator Wiring Diagram Wiring Diagram Direct Law Captain Law Captain Siciliabeb It
1989 Ford Tractor 6610 Alternator Wiring Diagram Wiring Diagram Direct Law Captain Law Captain Siciliabeb It from lh3.googleusercontent.com
Ford new holland 10 amp 30 series repair manual tractor. The truck is offered in several versions: The ford cargo truck family is produced in turkey and brazil. The wiring diagrams are also in the electrical systems section. Most of the wiring diagrams posted on this page are scans of original ford diagrams, not aftermarket reproductions. Also ar.e the original fuse boxes still available or has someone completed an acceptable mod? 8n ford tractor wiring diagram video. Some ford tractor owner's manuals, parts catalogs & repair manuals pdf are above the page.

It shows the parts of the circuit as streamlined forms and the power as well as signal connections between the gadgets.

Also ar.e the original fuse boxes still available or has someone completed an acceptable mod? Ford wiring diagram electrical wiring diagram 9n ford tractor ford tractor wiring diagram diagrams for subwoofers to 1 ohm ford. A forum community dedicated to all tractor owners and enthusiasts. This wiring diagram for 1996 ford explorer may help you to fix your car, but we don't responsible for any damage accour we just deliver information about 1996 ford explorer wiring diagram and this. Cargo engine management system schematics. We have the generic wiring diagram for models 2n 8n and 9n but that does not give enough differentiation for the specific requirements o re. View and download ford 9n service manual online. The founder and owner of the company was the famous engineer and industrialist henry ford, who embodied his dream of. 8n ford tractor wiring diagram video. Ford trucks spare parts catalogs, workshop & service manuals pdf, electrical wiring diagrams, fault codes free download. After a wiring diagram for a ford 7000 if anyone can assist? Cargo abs asr system wiring diagram. Hardware and software for diagnostics.

Iklan Atas Artikel

Iklan Tengah Artikel 1

Iklan Tengah Artikel 2

Iklan Bawah Artikel