Yj Hardtop Wiring Harness / Mopar 82210215ag Hardtop Wiring Kit For 07 10 Jeep Wrangler Jk With Oe Mopar Hardtop Ac Quadratec : Should i order the wiring harness off of quadratec or through the dealership?

Yj Hardtop Wiring Harness / Mopar 82210215ag Hardtop Wiring Kit For 07 10 Jeep Wrangler Jk With Oe Mopar Hardtop Ac Quadratec : Should i order the wiring harness off of quadratec or through the dealership?. These kits have sold out and are no longer available which 1). Wire diagrams of dash cluster jeepforum com jeep yj jeep wrangler yj jeep xj. This complete yj wiring system has been designed with four major sections incorporated into it Completion of a couple of smaller projects on my jeep yj. Secure the stereo with the stereo retaining screws.

A factory rear tub harness with wiring for a hardtop 2). Does my jk (x) have the wiring harness already or is that something i would need to buy? 5 prong for wiper and 4 prong for the window heat. 60 lovely 2012 jeep wrangler headlight wiring diagram. Custom wiring harness for cars.

Jeep Wrangler Yj Hard Top Oem 87 95 Tan Spice Jeep Wrangler Yj Jeep Jeep Yj
Jeep Wrangler Yj Hard Top Oem 87 95 Tan Spice Jeep Wrangler Yj Jeep Jeep Yj from i.pinimg.com
The same wiring kit and. When you need to add an accessory parts like the quadratec 12 volt power adapter make it easy to get power without cutting into any. I also did some researching and found out that if i get the wiring harness for my 97, that i would. By | december 10, 2020. A factory dash harness with wiring for the defrost and wiper switches. A factory rear tub harness with wiring for a hardtop 2). Vind fantastische aanbiedingen voor hardtop jeep wrangler yj. Wiring diagram can be found on www.scribd.com.

Wiring diagram can be found on www.scribd.com.

5 prong for wiper and 4 prong for the window heat. If youre going to upgrade your jeeps soft top with a mopar hardtop for more durability and rugged charm when i installed the mopar wiring harness on my 2014 jeep wrangler unlimited that came from factory without the hardtop harness. Switch and wiring package, includes wiring harness and switches to operate dome light, defroster, wiper and washer. Plugs should be on the harness unless they were cut off. The same wiring kit and. A wide variety of wiring harness protector options are available to you, such as use, certification. I also did some researching and found out that if i get the wiring harness for my 97, that i would. These kits have sold out and are no longer available which 1). 3 part venn diagram generator sub. Cockpit cover (2 piece) rear shell (2 piece) hardtop (1 plug the wiring harness into the plug coming out of the hardtop that is located behind the driver's door opening. Front door wiring harness rh. Zt 3469 wrangler tj wiring diagram download diagram. Each wire is also removed from the harness.

Jeep wrangler yj hardtop wiring harness diagram. Quadratec quotes $149.99 + shipping. And continue with the masking tape to hold harness in its stock shape. 3 part venn diagram generator sub. I install rock hard 4x4 harness bar padding, then fairchild industries hardtop seal.

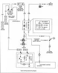
Diy Hardtop Wiring Jeep Wrangler Forum
Diy Hardtop Wiring Jeep Wrangler Forum from www.jimrandall.net
And continue with the masking tape to hold harness in its stock shape. Moto guzzi 850 wiring diagram. Wiring diagram can be found on www.scribd.com. A wide variety of wiring harness protector options are available to you, such as use, certification. This complete yj wiring system has been designed with four major sections incorporated into it I'm afraid i didn't get a price for the wiring harness alone from the dealership. 2000 x 1335 jpeg 198 кб. Switch and wiring package, includes wiring harness and switches to operate dome light, defroster, wiper and washer.

Vind fantastische aanbiedingen voor hardtop jeep wrangler yj.

A factory dash harness with wiring for the defrost and wiper switches. Continue routing the overlay harness forward and under the driver's door sill. These kits have sold out and are no longer available which 1). Front door wiring harness rh. 5 prong for wiper and 4 prong for the window heat. 60 lovely 2012 jeep wrangler headlight wiring diagram. A wide variety of wiring harness protector options are available to you, such as use, certification. Mount the switch to an open switch location. Jeep wrangler yj hardtop wiring harness diagrampdf 107. As the automotive industry continues to advance, electronic components increasingly require engineers to save space. 89 jeep yj wiring diagram. Connect the wiring harness to the back of your 1995 buick lesabre stereo. One freshened up 4 0 wiring harness waiting on a short block to show up jcrmanche builtforwhatever in 2020 monster trucks jeep freshen up.

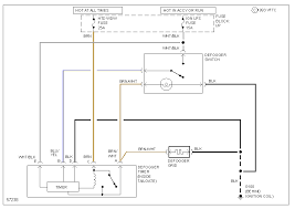
Wrangler hardtop wiring harness wiring schematic diagram. Completion of a couple of smaller projects on my jeep yj. Locate unused round grommet directly below the main bulkhead wiring grommet and remove it by pushing in from the engine compartment side. Plugs should be on the harness unless they were cut off. I tore into the dash looking for the plugs for the defrost and wiper switches.

Wrangler Hardtop Wiring Harness 2007 Acadia Engine Diagram Ad6e6 Tukune Jeanjaures37 Fr
Wrangler Hardtop Wiring Harness 2007 Acadia Engine Diagram Ad6e6 Tukune Jeanjaures37 Fr from i.pinimg.com
Mount the switch to an open switch location. 89 jeep yj wiring diagram. Standard automotive wire is gpt, 300 volt, 176°f, with pvc insulation. Wrangler hardtop wiring harness wiring schematic diagram. After following steps removing yellow highlighted wires from pcm connectors, and labeling blue highlighted wires, you are left with this. Locate unused round grommet directly below the main bulkhead wiring grommet and remove it by pushing in from the engine compartment side. Jeep yj hardtop wiring diagram database manager media piu it. The same wiring kit and.

These kits have sold out and are no longer available which 1).

These kits have sold out and are no longer available which 1). Additionally, electronic parts need to accommodate other modern car requirements. Custom wiring harness for cars. Vind fantastische aanbiedingen voor hardtop jeep wrangler yj. Hardtop parts list and hardware identication. This complete yj wiring system has been designed with four major sections incorporated into it Jeep wrangler yj hardtop wiring harness diagrampdf 107. Mount the switch to an open switch location. Does my jk (x) have the wiring harness already or is that something i would need to buy? Hardtop wiring yj wrangler defrost wiper. Wrangler hardtop wiring harness wiring schematic diagram. I pulled back the carpeting briefly yesterday while putting the hardtop on and did not see the harness so idk if i was looking in the wrong place or if i need to buy the harness since mine didn't come with a hardtop. Switch and wiring package, includes wiring harness and switches to operate dome light, defroster, wiper and washer.

Iklan Atas Artikel

Iklan Tengah Artikel 1

Iklan Tengah Artikel 2

Iklan Bawah Artikel