73 Ford Alternator Wiring Diagram - 1973 Ford Mustang Wiring Diagram Wire Center : I replaced the alternator in a 2013 ford fusion and i am still getting a check battery or check engine light coming on.

73 Ford Alternator Wiring Diagram - 1973 Ford Mustang Wiring Diagram Wire Center : I replaced the alternator in a 2013 ford fusion and i am still getting a check battery or check engine light coming on.. Some of these come with ford alternator wiring harness too. It reveals the parts of the circuit as streamlined shapes and the power and signal connections in between the gadgets. If you are hooking up an alternator, they might be very useful. You can find the correct one according to your car model as well as model year. Testing the alternator, to see if it's charging or not is a pretty simple test, especially of you have a wiring diagram!

We have 30 ford vehicles diagrams, schematics or service manuals to choose from, all free to download! 2017 mustang shelby fp350 wiring diagrams. Navistar / international wiring diagrams. I replaced the alternator in a 2013 ford fusion and i am still getting a check battery or check engine light coming on. Handy wiring diagram that shows a paper trail of how the electrical system works for the 7.3l purchased from company but used as a beater truck.

Volkswagen Beetle Questions Try This Again I Have A 1974 Beetle With A Alternator With External R Cargurus
Volkswagen Beetle Questions Try This Again I Have A 1974 Beetle With A Alternator With External R Cargurus from static.cargurus.com
How to wire a gm external regulated 10dn. 1994 1995 mustang 50 eec wiring diagram 73 kb. Related content for ford ranger. It reveals the parts of the circuit as streamlined shapes and the power and signal connections in between the gadgets. 1979, 1980, 1981, 1982, 1983, 1984 alternator wiring diagram. In the movies of the 80s, especially in action movies, very often you can see the chase. Because the ignition gahi's diagram is the correct way to wire a gm 10si/12si, and utilize all the benefits of that great design. The horn wires needs to be inspected.click the link below and follow the wiring diagram.you just need to follow the wiring shown in diagram and disconnect the wire getting to horn.then test it with meter and see if your are getting voltage with horn 1972 ford f100 alternator/voltage regulator wiring.

Testing the alternator, to see if it's charging or not is a pretty simple test, especially of you have a wiring diagram!

The 's' terminal on the voltage regulator is for switched 12 vdc.only hot in run, from the ignition. The horn wires needs to be inspected.click the link below and follow the wiring diagram.you just need to follow the wiring shown in diagram and disconnect the wire getting to horn.then test it with meter and see if your are getting voltage with horn 1972 ford f100 alternator/voltage regulator wiring. Related content for ford ranger. Looks like a ford diagram! How to wire a gm external regulated 10dn. But can you tell me how to download the diagram? Information contained in each vehicle specific manual, has been developed to aid technicians in diagnosing and repairing vehicle wiring and electrical. It reveals the parts of the circuit as streamlined shapes and the power and signal connections in between the gadgets. 1979, 1980, 1981, 1982, 1983, 1984 alternator wiring diagram. Here's a simplified wiring diagram of the alternator circuit for the 1992 2.3l ford ranger. Detailed wiring schematics, illustrations and component descriptions developed by ford motor company. Some ford bus manuals & wiring diagrams pdf are above thepage. 1991 ranger 2.3l & 2.9l engine wiring.

Here's a simplified wiring diagram of the alternator circuit for the 1992 2.3l ford ranger. I replaced the alternator in a 2013 ford fusion and i am still getting a check battery or check engine light coming on. How to wire a gm external regulated 10dn. But can you tell me how to download the diagram? Mustang diagrams including the fuse box and wiring schematics for the following year ford mustangs:

73 Chevy Alternator Wiring Ge Window Air Conditioner Wiring Diagrams Begeboy Wiring Diagram Source
73 Chevy Alternator Wiring Ge Window Air Conditioner Wiring Diagrams Begeboy Wiring Diagram Source from www.1953chevrolet.com
You can find the correct one according to your car model as well as model year. Because the ignition gahi's diagram is the correct way to wire a gm 10si/12si, and utilize all the benefits of that great design. Checking windshield wiper switch continuity. The horn wires needs to be inspected.click the link below and follow the wiring diagram.you just need to follow the wiring shown in diagram and disconnect the wire getting to horn.then test it with meter and see if your are getting voltage with horn 1972 ford f100 alternator/voltage regulator wiring. To locate the correct wiring diagram for your vehicle you will need: I replaced the alternator in a 2013 ford fusion and i am still getting a check battery or check engine light coming on. Looks like a ford diagram! Diagram how to align cam.

1994 1995 mustang 50 eec wiring diagram 73 kb.

How to wire a gm external regulated 10dn. Navistar / international wiring diagrams. Because the ignition gahi's diagram is the correct way to wire a gm 10si/12si, and utilize all the benefits of that great design. 1979, 1980, 1981, 1982, 1983, 1984 alternator wiring diagram. 1994 1995 mustang 50 eec wiring diagram 73 kb. 1993 ford explorer fuel gauge and feul sending unit wiring diagram 19 kb. Some of these come with ford alternator wiring harness too. The horn wires needs to be inspected.click the link below and follow the wiring diagram.you just need to follow the wiring shown in diagram and disconnect the wire getting to horn.then test it with meter and see if your are getting voltage with horn 1972 ford f100 alternator/voltage regulator wiring. It consists of the contents of eight pages that have been stitched together into a single file. I can only harvest 1kb of txt file. Detailed wiring schematics, illustrations and component descriptions developed by ford motor company. Some ford bus manuals & wiring diagrams pdf are above thepage. The following wiring diagram is an extremely large file!

If you are hooking up an alternator, they might be very useful. How to wire a gm external regulated 10dn. But can you tell me how to download the diagram? Navistar / international wiring diagrams. Handy wiring diagram that shows a paper trail of how the electrical system works for the 7.3l purchased from company but used as a beater truck.

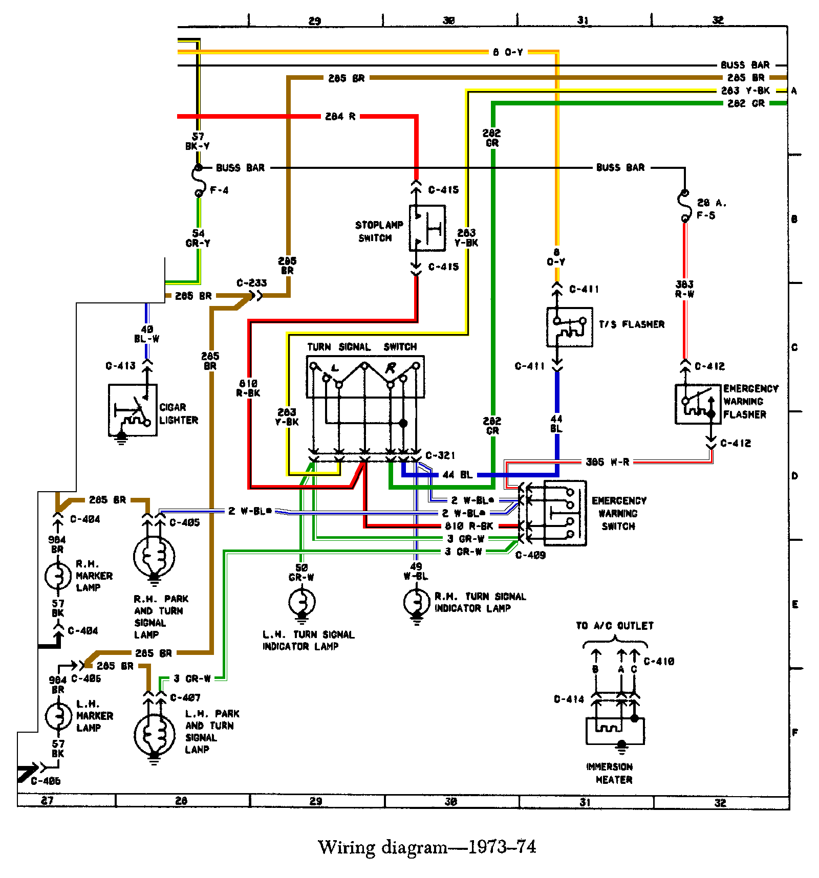
Wiring Diagram For 1968 Ford F100 Pick Up Trusted Wiring Diagrams
Wiring Diagram For 1968 Ford F100 Pick Up Trusted Wiring Diagrams from www.fordification.com
Testing the alternator, to see if it's charging or not is a pretty simple test, especially of you have a wiring diagram! Looks like a ford diagram! There are many types of wiring diagram for different types of alternators. Detailed wiring schematics, illustrations and component descriptions developed by ford motor company. I was able to purchase one on ebay for my 2016, but i have a 2018 now and it is no longer valid for my application. Navistar / international wiring diagrams. Would anyone happen to know where i could purchase a ford 2018 wiring diagram manual? There's an 'i' terminal that's not used.

There's an 'i' terminal that's not used.

I replaced the alternator in a 2013 ford fusion and i am still getting a check battery or check engine light coming on. I can only harvest 1kb of txt file. There are many types of wiring diagram for different types of alternators. Make and model of abs ecu. If you are hooking up an alternator, they might be very useful. The horn wires needs to be inspected.click the link below and follow the wiring diagram.you just need to follow the wiring shown in diagram and disconnect the wire getting to horn.then test it with meter and see if your are getting voltage with horn 1972 ford f100 alternator/voltage regulator wiring. Some of these come with ford alternator wiring harness too. 1979, 1980, 1981, 1982, 1983, 1984 alternator wiring diagram. 1991 ranger 2.3l & 2.9l engine wiring. Related content for ford ranger. Cooling system door wiring diagram. Diagram how to align cam. Alternator working denso alternator electrical circuit diagram electrical wiring daihatsu electric bike kits electric cars vw mk1 car audio systems.

Iklan Atas Artikel

Iklan Tengah Artikel 1

Iklan Tengah Artikel 2

Iklan Bawah Artikel