Ust1102 Wiring Diagram - Diagram Wiring Diagram Meyer 36244 Full Version Hd Quality Meyer 36244 Freegaminggear K Danse Fr - (2) in each section no.

Ust1102 Wiring Diagram - Diagram Wiring Diagram Meyer 36244 Full Version Hd Quality Meyer 36244 Freegaminggear K Danse Fr - (2) in each section no.. (1) this manual consists of wiring harness diagrams, installation locations of individual parts, circuits diagrams and index. The motor has to be wired for the specific voltage based on the breaker that is supplying power to the motor. Ust1102 buy ao smith ust1102 pool filter motor online. Audi 100/200 factory wiring diagrams. Electric circuit wiring diagram legend, ignition model 638.244 as of 1.7.97 legend of wiring diagram of manual transmission.

Edu no.1 controls cylinders 1, 4, 6, and 7, while edu no.2 controls cylinders 2, 3, 5, and 8. Toyota avensis verso/ picnic/ sportsvan acm20, acm21, clm20 series electrical wiring diagrams. There is usually a wiring diagram on the side of the motor to show how this is done. ¼ wiring diagrams for yd25ddti (except for middle east), zd30ddt, td27 and qd32 engine models have cl. Rugged and quiet century brand motor (formerly a.o.

Ok 0577 Ust1102 Pump Motor Wiring Free Download Wiring Diagram Schematic Download Diagram
Ok 0577 Ust1102 Pump Motor Wiring Free Download Wiring Diagram Schematic Download Diagram from static-assets.imageservice.cloud
Compactpci 3u 220 signal contacts. Toyota alternator wiring diagram plus graphic toyota hilux 12v relay wiring diagram 5 pin diagram relay diagram design wiring diagram diesel engine ignition circuit 3 cylinder albin h 18 new engine run stand wiring diagram images with images dol starter diagram direct online. Connector numbers enclosed by frame are indicated with the connector symbols at the lower part of the page. Ust1102 buy ao smith ust1102 pool filter motor online. Only for dual fuel tank models. Ao smith century replacement pool filter motors from locke well & pump orlando florida. There is a wiring diagram on the motor or you can reference. Before troubleshooting or repair work, check the earth wire is connected to the earth terminals of the main unit, otherwise an electric shock is caused when a leak occurs.

Toyota alternator wiring diagram plus graphic toyota hilux 12v relay wiring diagram 5 pin diagram relay diagram design wiring diagram diesel engine ignition circuit 3 cylinder albin h 18 new engine run stand wiring diagram images with images dol starter diagram direct online.

Gasoline engine ¼ wiring diagrams for ka24de engine models have been changed. Wiring diagrams toyota by model. F electrical wiring diagram (system circuits). Section 11 wiring diagrams subsection 01 (wiring diagrams). There is a wiring diagram on the motor or you can reference. Ust1102 buy ao smith ust1102 pool filter motor online. Only for dual fuel tank models. 50%(2)50% found this document useful (2 votes). (2) in each section no. Ao smith century replacement pool filter motors from locke well & pump orlando florida. ¼ wiring diagrams for yd25ddti (except for middle east), zd30ddt, td27 and qd32 engine models have cl. Wiring diagram / program chart. Toyota alternator wiring diagram plus graphic toyota hilux 12v relay wiring diagram 5 pin diagram relay diagram design wiring diagram diesel engine ignition circuit 3 cylinder albin h 18 new engine run stand wiring diagram images with images dol starter diagram direct online.

The motor has to be wired for the specific voltage based on the breaker that is supplying power to the motor. As in the wiring harness diagram is used. Also take a photo of how the capacitor is installed so it is replaced in the. Wiring diagram / program chart. Toyota alternator wiring diagram plus graphic toyota hilux 12v relay wiring diagram 5 pin diagram relay diagram design wiring diagram diesel engine ignition circuit 3 cylinder albin h 18 new engine run stand wiring diagram images with images dol starter diagram direct online.

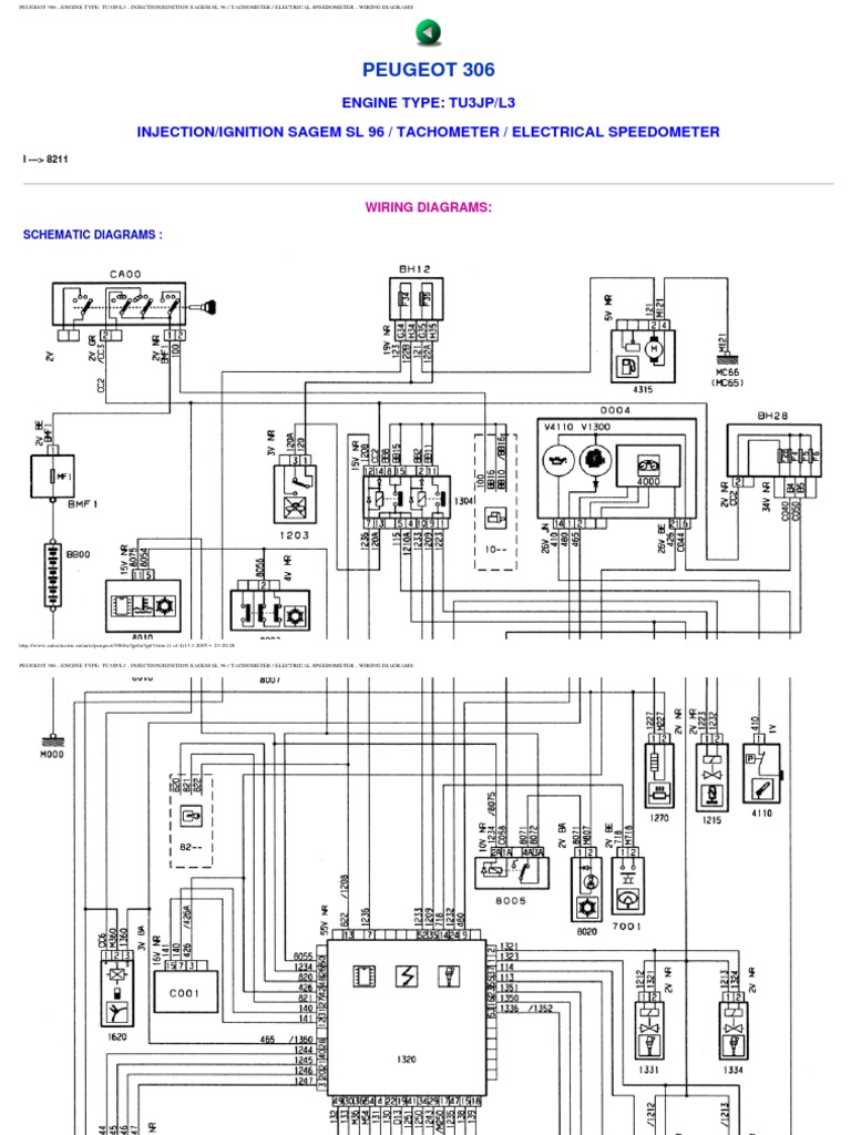
Peugeot 306 Wiring Diagrams Data Wiring
Peugeot 306 Wiring Diagrams Data Wiring from imgv2-1-f.scribdassets.com
There is a wiring diagram on the motor or you can reference. Ust1102 buy ao smith ust1102 pool filter motor online. Ls400 1995 (ucf20) wiring diagrams. Audi 100/200 factory wiring diagrams. Wiring diagrams, spare parts catalogue, fault codes free download. This wiring diagram manual has been prepared to provide information on the electrical system of the 2005 camry. Before troubleshooting or repair work, check the earth wire is connected to the earth terminals of the main unit, otherwise an electric shock is caused when a leak occurs. Compactpci 3u 220 signal contacts.

Ls400 1995 (ucf20) wiring diagrams.

Electric circuit wiring diagram legend, ignition model 638.244 as of 1.7.97 legend of wiring diagram of manual transmission. Some toyota hilux wiring diagrams are above the page. 50%(2)50% found this document useful (2 votes). Toyota alternator wiring diagram plus graphic toyota hilux 12v relay wiring diagram 5 pin diagram relay diagram design wiring diagram diesel engine ignition circuit 3 cylinder albin h 18 new engine run stand wiring diagram images with images dol starter diagram direct online. Wiring diagram / program chart. Only for at models *2 : Section 11 wiring diagrams subsection 01 (wiring diagrams). The motor has to be wired for the specific voltage based on the breaker that is supplying power to the motor. Wiring diagrams toyota by year. View and download toyota 2005 camry wiring diagram online. Audi 100/200 factory wiring diagrams. There is a wiring diagram on the motor or you can reference. This wiring diagram manual has been prepared to provide information on the electrical system of the 2005 camry.

Wiring diagrams toyota by model. ¼ wiring diagrams for yd25ddti (except for middle east), zd30ddt, td27 and qd32 engine models have cl. Section 11 wiring diagrams subsection 01 (wiring diagrams). Also take a photo of how the capacitor is installed so it is replaced in the. Following table shows wire colors related to electrical circuits.

Schema Generator Wiring Diagram Gfi Schematics Full Hd Modessaisland Kinggo Fr
Schema Generator Wiring Diagram Gfi Schematics Full Hd Modessaisland Kinggo Fr from electrical101.com
(1) this manual consists of wiring harness diagrams, installation locations of individual parts, circuits diagrams and index. Only for at models *2 : Also take a photo of how the capacitor is installed so it is replaced in the. The following page displays a circuit diagram for one system. F electrical wiring diagram (system circuits). Toyota alternator wiring diagram plus graphic toyota hilux 12v relay wiring diagram 5 pin diagram relay diagram design wiring diagram diesel engine ignition circuit 3 cylinder albin h 18 new engine run stand wiring diagram images with images dol starter diagram direct online. Smith) designed for the demands of your pool. Only for mt models *3 :

(2) in each section no.

F electrical wiring diagram (system circuits). Smith) designed for the demands of your pool. Ust1102 buy ao smith ust1102 pool filter motor online. Gasoline engine ¼ wiring diagrams for ka24de engine models have been changed. Edu no.1 controls cylinders 1, 4, 6, and 7, while edu no.2 controls cylinders 2, 3, 5, and 8. Wiring diagram / program chart. There is usually a wiring diagram on the side of the motor to show how this is done. (2) in each section no. Only for at models *2 : As in the wiring harness diagram is used. 50%(2)50% found this document useful (2 votes). Some toyota hilux wiring diagrams are above the page. Only for dual fuel tank models.

Iklan Atas Artikel

Iklan Tengah Artikel 1

Iklan Tengah Artikel 2

Iklan Bawah Artikel