3 Phase Motor Wiring Diagram 6 Wire : How To Connect 3 Phase Motors In Star And Delta Connection Quora / 6 wire motor wiring diagram.

3 Phase Motor Wiring Diagram 6 Wire : How To Connect 3 Phase Motors In Star And Delta Connection Quora / 6 wire motor wiring diagram.. Yet, with the help of this step by step guide, this task will be become as easy as counting to five. If three phase load exists in your home, then you. • switch any two of the motor phase wires. 6 wire motor wiring diagram. 2 phase, 3 wire (for separate.

Wiring diagram comes with several easy to adhere to wiring diagram instructions. It is intended to help all the common consumer in developing a correct method. Internal wiring of these starters provides the necessary connections for interchanging two motor connections in the case of the 609rs or switching to another winding in the case of the 609ts. 3 phase 6 lead motor wiring diagram | wirings diagram as stated previous, the lines at a 3 phase 6 lead motor wiring diagram represents wires. Electric motor wire marking & connections.

Connecting Motors For A Change Of Voltage
Connecting Motors For A Change Of Voltage from www.industrial-electronics.com
Depending on the voltage you have measured in the first step, you should select the appropriate diagram. 1 phase & 3 phase wiring. I would request u to post a program code on six pulse or three phase spwm based trained pulses to run an. 3 phase 6 lead motor wiring diagram u2014 untpikapps. 3 phase wire diagram — daytonva150. 6 wire 3 speed #motor connection and wiring diagram chimney motor. However, the diagram is a simplified variant of this arrangement. Do note that wiring the motor to a different voltage than what.

The first step is to figure out the voltage of your phases.

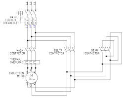
Wiring diagrams w bulletin 609u. Double layer induction motor winding diagram in series and parallel connections on this occasion we will describe the method to connect. Electric motor wire marking & connections. The first step is to figure out the voltage of your phases. 3 wire and 4 wire condensing fan motor connection. This video will show you how to wire up a 9 wire 3 phase motor to a 3 phase 240 volt system. Do note that wiring the motor to a different voltage than what. But, it doesn't imply link between the cables. 3 phase wire diagram — daytonva150. Depending on the voltage you have measured in the first step, you should select the appropriate diagram. If three phase load exists in your home, then you. • switch any two of the motor phase wires. This makes the procedure for building circuit simpler.

The change of direction is made in mutual exchange two of the three phases. Alambre de motor eléctrico trifásico 230 460 cobre. Depending on the voltage you have measured in the first step, you should select the appropriate diagram. In other words, we will not power up 3 phase motors because in our homes, we haven't that kind of (three phase) loads. Internal wiring of these starters provides the necessary connections for interchanging two motor connections in the case of the 609rs or switching to another winding in the case of the 609ts.

6 Lead Single Phase Motor Wiring Diagram Luxury Excellent Dual Ă ¸¡Ă ¸­Ă ¹€Ă ¸•Ă ¸­Ă ¸£
6 Lead Single Phase Motor Wiring Diagram Luxury Excellent Dual Ă ¸¡Ă ¸­Ă ¹€Ă ¸•Ă ¸­Ă ¸£ from i.pinimg.com
Hi blogthor, it's wonderful that u have shared your knowledge so expanded. Choose one of the three parameters to narrow your search. Single phase forward reverse starter circuit diagram motor rh teenwolfonline org patent us drive circuit for a brushless dc motor google drawing 3 phase motor contactor baldor motor wiring diagrams 3 phase best dayton electric motors wiring diagram & wire diagrams. This video will show you how to wire up a 9 wire 3 phase motor to a 3 phase 240 volt system. 3 wire and 4 wire condensing fan motor connection. Design of a motor this document includes the basic motor theory, system design concept, hardware implementation, and the general state diagram incorporates the main routine entered from reset and interrupt states. 3 phase windmill wiring diagram transformers are a critical part of electrical distribution systems because they are most often used to change voltage the motor industrial ovens heaters for now here s the basic circuit diagram the beauty of this circuit this works but has two drawbacks the rolloff. A wiring diagram is a type of schematic which makes use of abstract photographic icons to show all the affiliations of components in a system.

It is intended to help all the common consumer in developing a correct method.

Three phase motor connection schematic, power and control wiring installation diagrams. Choose one of the three parameters to narrow your search. The 3 moc circuits are configured for handling the 3 phase ac input and delivering the same to the attached induction motor. Wiring diagrams and control methods for three phase ac motor. Depending on the voltage you have measured in the first step, you should select the appropriate diagram. Motors with six leads are nearly alway. If three phase load exists in your home, then you. An increase in the phase voltage will increase the phase. Yet, with the help of this step by step guide, this task will be become as easy as counting to five. Single phase forward reverse starter circuit diagram motor rh teenwolfonline org patent us drive circuit for a brushless dc motor google drawing 3 phase motor contactor baldor motor wiring diagrams 3 phase best dayton electric motors wiring diagram & wire diagrams. 3 wire reversible psc motor. It is intended to help all the common consumer in developing a correct method. At times, the cables will cross.

In other words, we will not power up 3 phase motors because in our homes, we haven't that kind of (three phase) loads. Wiring diagram 3 phase motor 3.3 kw with three unit of bsh 222 switch. The 3 moc circuits are configured for handling the 3 phase ac input and delivering the same to the attached induction motor. This video will show you how to wire up a 9 wire 3 phase motor to a 3 phase 240 volt system. Watch till the end for my tech tip.

How To Wire A High Low Voltage Three Phase Motor
How To Wire A High Low Voltage Three Phase Motor from cpi.studiod.com
3 phase 6 lead motor wiring diagram u2014 untpikapps. Notice incorrect direction of rotation. 3 wire reversible psc motor. Watch till the end for my tech tip. For specific leeson motor connections go to their website and input the leeson catalog # in the review box, you will find connection data, dimensions, name plate data, etc. Advantage and disadvantage of this three phase inverter circuit. The selected variable determines which slider bar you will be able to manually move. 3 wire and 4 wire condensing fan motor connection.

Three phase wiring diagrams weg electric motors three phase wiring diagrams always use wiring diagram supplied on motor nameplate colored diagram source thetada 3 phase motor wiring diagram lovely bldc motor controller using arduino three phase bridge three phase motor power.

Three phase motor connection schematic, power and control wiring installation diagrams. 2 phase, 3 wire (for separate. The selected variable determines which slider bar you will be able to manually move. Wiring diagram comes with several easy to adhere to wiring diagram instructions. Choose one of the three parameters to narrow your search. Single phase forward reverse starter circuit diagram motor rh teenwolfonline org patent us drive circuit for a brushless dc motor google drawing 3 phase motor contactor baldor motor wiring diagrams 3 phase best dayton electric motors wiring diagram & wire diagrams. • switch any two of the motor phase wires. 3 phase windmill wiring diagram transformers are a critical part of electrical distribution systems because they are most often used to change voltage the motor industrial ovens heaters for now here s the basic circuit diagram the beauty of this circuit this works but has two drawbacks the rolloff. 3 phase wire diagram — daytonva150. We will use three unit of bsh 222 switch for control a motor glue pump. Three phase wiring diagrams weg electric motors three phase wiring diagrams always use wiring diagram supplied on motor nameplate colored diagram source thetada 3 phase motor wiring diagram lovely bldc motor controller using arduino three phase bridge three phase motor power. Now we change the wiring diagram to delta, the line voltage will remain the same ul=380 v, and the phase voltage will increase by the square root of 3 times up=ul= 380 v. 3 phase 6 lead motor wiring diagram u2014 untpikapps.

Iklan Atas Artikel

Iklan Tengah Artikel 1

Iklan Tengah Artikel 2

Iklan Bawah Artikel