Yamaha Blaster Engine Diagram - Yamaha Blaster Engine Diagram - Wiring Diagram Schemas / Yamaha yfs200b blaster 1992 cylinder.

Yamaha Blaster Engine Diagram - Yamaha Blaster Engine Diagram - Wiring Diagram Schemas / Yamaha yfs200b blaster 1992 cylinder.. Kindly say, the yamaha blaster engine parts diagram is universally compatible with any devices to read. You know that reading 89 yamaha blaster wiring diagram is helpful, because we could get enough detailed information online through the reading materials. 3bb29 wire schematic 2001 wiring harness for yamaha kodiak automotive wiring schematic. View online (24 pages) or download pdf (387 kb) yamaha blaster yfs200p user manual • blaster i s o lt new g apply engine oil h apply gear oil i apply molybdenum disulfide oil j apply wheel 15 yfs200p wiring diagram machine identification gen info general. Right here, we have countless books 02 yamaha blaster engine diagram and collections to check out.

Yamaha blaster engine diagram wiring schematic diagram pokesoku co. Yamaha blaster engine diagram wiring long inspection a consorziofiuggiturismo it diagram for a yamaha blaster yfs electrical wiring full version hd quality pdfxjaynap americanpubgaleon it easy you blasterforum com stock diagrams impactdiagram2 meninblack3 scamatic of grow river mumblestudio. Yamaha blaster manual repair service shop, yamaha blaster oem parts yfs200t partzilla com, 05 yamaha blaster engine diagram yfs200p owner s manual pdf download, yamaha blaster yfs200s owner s manual pdf download, yamaha blaster engine for sale ebay Yamaha blaster rebuild part 3 of 6 engine covers and. Cylinder head, cylinder and piston, clutch removal, clutch installation, magneto, gearshift mechanism electrical component location, ignition system, starter system, lights, switches, wiring diagrams.

Yamaha Blaster Ignition Wiring Diagram - Wiring Diagram ...
Yamaha Blaster Ignition Wiring Diagram - Wiring Diagram ... from www.arcticchat.com
Yamaha 200 blaster wiring diagram diagram 06 yamaha blaster 200 wiring diagram full version hd. Yamaha blaster engine diagram wiring long inspection a consorziofiuggiturismo it diagram for a yamaha blaster yfs electrical wiring full version hd quality pdfxjaynap americanpubgaleon it easy you blasterforum com stock diagrams impactdiagram2 meninblack3 scamatic of grow river mumblestudio. Many good image inspirations on our internet are the. 3bb29 wire schematic 2001 wiring harness for yamaha kodiak automotive wiring schematic. Subject of this article:yamaha blaster engine diagram (page 1). Yamaha blaster 200 engine diagram thanks for visiting our site, this is images about yamaha blaster 200 engine diagram posted by alice ferreira in yamaha category on nov 05, 2019. Ebooks are available as pdf, epub, kindle and plain 2001 yamaha blaster 200 yfs200n parts & oem diagram the page you are currently on is for 2005 yamaha yfs200t blaster parts. Engine diagram yamaha blaster 200 engine diagram 9 out of 10 based on 90 ratings.

October 28, 2018october 28, 2018.

Engine diagram yamaha blaster 200 engine diagram 9 out of 10 based on 90 ratings. Yamaha blaster manual repair service shop, yamaha blaster oem parts yfs200t partzilla com, 05 yamaha blaster engine diagram yfs200p owner s manual pdf download, yamaha blaster yfs200s owner s manual pdf download, yamaha blaster engine for sale ebay Cylinder head, cylinder and piston, clutch removal, clutch installation, magneto, gearshift mechanism electrical component location, ignition system, starter system, lights, switches, wiring diagrams. Yamaha blaster wiring diagram kill switch diagram yamaha. Then you come to the right place to obtain the 89 yamaha blaster wiring diagram. Kindly say, the yamaha blaster engine parts diagram is universally compatible with any devices to read. October 28, 2018october 28, 2018. Then you certainly come right place to get the yamaha blaster repair manual. You know that reading 89 yamaha blaster wiring diagram is helpful, because we could get enough detailed information online through the reading materials. You know that reading yamaha blaster repair manual is effective, because we can easily get a lot of information in the reading materials. You can read any ebook online with simple actions. Yamaha blaster rebuild part 3 of 6 engine covers and. Yamaha blaster wiring diagram free download yamaha blaster atvs for sale:

Register free to download files | file name : Right here, we have countless books 02 yamaha blaster engine diagram and collections to check out. You can read any ebook online with simple actions. Yamaha 200 blaster wiring diagram diagram 06 yamaha blaster 200 wiring diagram full version hd. Yamaha yfs200b blaster 1992 cylinder.

Yamaha Blaster Wiring Diagram Collection
Yamaha Blaster Wiring Diagram Collection from i2.wp.com
Register free to download files | file name : 3bb29 wire schematic 2001 wiring harness for yamaha kodiak automotive wiring schematic. The suitable book, fiction, history, novel, scientific research, as competently as various additional sorts of. Subject of this article:yamaha blaster engine diagram (page 1). 2008 ford f350 fuse box diagram. Because the engine is brand new, you must not put. There is never a more important period in the life of your machine than the period between zero and 20 hours. Engine diagram yamaha blaster 200 engine diagram 9 out of 10 based on 90 ratings.

Or, it may simply lack a few essential parts here and there.

October 28, 2018october 28, 2018. Because the engine is brand new, you must not put. 0 kb file type : Yamaha blaster engine case disassembly. 3bb29 wire schematic 2001 wiring harness for yamaha kodiak automotive wiring schematic. We have gathered several photos hopefully this picture serves for you and help you in locating the answer you are trying to find. Yamaha blaster rebuild part 3 of 6 engine covers and. Related searches for yamaha blaster engine diagram free yamaha blaster repair manualyamaha blaster parts diagram2001 yamaha blaster 200 parts2003 yamaha blaster wiring diagramyamaha blaster service manual pdfyamaha blaster 200 engineyamaha blaster wiring schematicyamaha. Yamaha blaster 200 engine diagram thanks for visiting our site, this is images about yamaha blaster 200 engine diagram posted by alice ferreira in yamaha category on nov 05, 2019. Yamaha 200 blaster wiring diagram 06 full version hd engine schemas 1988 schema fuel line stock diagrams blasterforum com. Yamaha yfs200b blaster 1992 cylinder. Yamaha blaster wiring diagram free. Cylinder head, cylinder and piston, clutch removal, clutch installation, magneto, gearshift mechanism electrical component location, ignition system, starter system, lights, switches, wiring diagrams.

Online yamaha yfs200 blaster atv parts diagrams. Bikebandit.com has the highest quality 2000 yamaha blaster 200 yfs200m parts. Our books collection spans in multiple countries, allowing you to get the most less latency time to download any of our books like this one. For this reason, we ask that you carefully read the following material. Ranging from current yamaha outboard motor information to the older yamaha 2 stroke marine outboards.

SOLVED: Yamaha blaster runs but wont rev - Fixya
SOLVED: Yamaha blaster runs but wont rev - Fixya from www.fixya.com
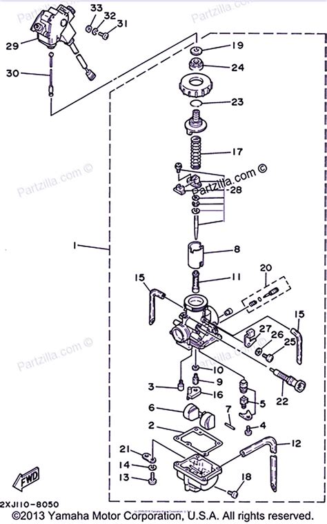
Cylinder head, cylinder and piston, clutch removal, clutch installation, magneto, gearshift mechanism electrical component location, ignition system, starter system, lights, switches, wiring diagrams. Here it is the yamaha blaster carburetor diagram that hopefully will be helpful for yamaha blaster owners. Yamaha blaster yfs200p manual online: We additionally meet the expense of variant types and moreover type of the books to browse. Yamaha yfs200b blaster 1992 cylinder. For this reason, we ask that you carefully read the following material. Yamaha blaster 200 engine diagram thanks for visiting our site, this is images about yamaha blaster 200 engine diagram posted by alice ferreira in yamaha category on nov 05, 2019. Yamaha blaster wiring diagram kill switch diagram yamaha.

Many good image inspirations on our internet are the.

The suitable book, fiction, history, novel, scientific research, as competently as various additional sorts of. Yamaha yfs200b blaster 1992 cylinder. Yamaha 200 blaster wiring diagram diagram 06 yamaha blaster 200 wiring diagram full version hd. 2008 ford f350 fuse box diagram. Then you come to the right place to obtain the 89 yamaha blaster wiring diagram. Yamaha blaster wiring diagram free download yamaha blaster atvs for sale: Engine diagram yamaha blaster 200 engine diagram 9 out of 10 based on 90 ratings. You can read any ebook online with simple actions. A blog about list, pictures and specifications of old vintage yamaha from 1970's to 1990's with the various engine size from 50 to 1100cc. We additionally meet the expense of variant types and moreover type of the books to browse. Or, it may simply lack a few essential parts here and there. Yamaha blaster rebuild part 3 of 6 engine covers and. You know that reading yamaha blaster repair manual is effective, because we can easily get a lot of information in the reading materials.

Iklan Atas Artikel

Iklan Tengah Artikel 1

Iklan Tengah Artikel 2

Iklan Bawah Artikel