1997 Ford Taurus Wiring Diagram - Car Wiring Diagrams: 1997 FORD TAURUS WIRING DIAGRAMS - To view the free 1997 ford taurus 4dr wagon wire information / wiring information press go.

1997 Ford Taurus Wiring Diagram - Car Wiring Diagrams: 1997 FORD TAURUS WIRING DIAGRAMS - To view the free 1997 ford taurus 4dr wagon wire information / wiring information press go.. 1997 ford taurus wiring diagrams (online repair manuals) oem drawn wiring diagrams for most 1997 ford taurus cars and light trucks browse the official 1997 ford taurus part catalog and purchase official motorcraft & find wiring diagrams, diagnostic tool support, electrical connectors. Ran across this wiring diagram awhile back and just found it again. Taurus 1997 automobile pdf manual download. Here you'll find wiring schematic regarding; Diagram 2009 ford escape wiring diagram full version hd quality.

Herein, the schematic wiring diagrams going to provide are the 1997 ford windstar complete system wiring diagrams. Starting guarding against exhaust fumes although odorless and colorless, carbon monoxide is present in exhaust fumes. Stereo dimmer wire stereo amp trigger wire audio front speakers size audio rear speakers size. Ran across this wiring diagram awhile back and just found it again. 98 taurus wiring diagram wiring diagram name ford taurus wiring my wiring diagram.

1997 Ford Ranger Wiring Diagram | Jeep cj7, Diagram, Jeep
1997 Ford Ranger Wiring Diagram | Jeep cj7, Diagram, Jeep from i.pinimg.com
Ran across this wiring diagram awhile back and just found it again. Im having difficulty finding the wiring diagram for the mach stereo system. My blower got fixed by just wiggling it a few times! Always verify all wires, wire colors and diagrams before applying any information found here to your 1997 ford taurus. Thank you for visiting onlymanuals.com. If you can't find your car audio wire diagram, car stereo wire diagram or car radio wire diagram on modified life, please feel free to post a car wiring diagram request (car. 24905 1997 ford taurus engine diagram wiring resources. To view other wiring information click here.

Ford taurus 1997 pdf will be shown after captcha resolving.

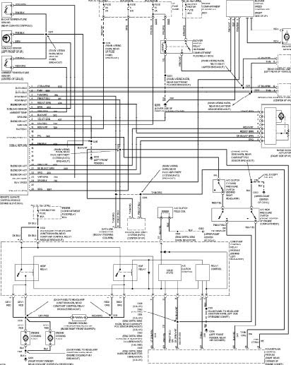
Looking for details regarding 1997 ford taurus radiator diagram? To view the free 1997 ford taurus 4dr wagon wire information / wiring information press go. We'll get you the repair information you need, every time this manual is specific to a 1997 ford taurus. 1997 ford taurus stereo wiring information. Taurus 1997 automobile pdf manual download. Ford flex ford focus ford freestar ford freestyle ford fusion ford mustang ford pickup ford probe ford ranger ford super duty ford taurus ford windstar. Starting guarding against exhaust fumes although odorless and colorless, carbon monoxide is present in exhaust fumes. 1997 ford taurus wiring diagrams (online repair manuals) oem drawn wiring diagrams for most 1997 ford taurus cars and light trucks browse the official 1997 ford taurus part catalog and purchase official motorcraft & find wiring diagrams, diagnostic tool support, electrical connectors. My blower got fixed by just wiggling it a few times! Is the ford taurus 1997 sho engine fan electronic. To view other wiring information click here. Data link connector, shift lock actuator, remote anti theft personality.fuel sensor module, blend dock actuator, blower resistor, air temperature door variable resistor, anti theft system. On this website you will find only top of the top products.

Ford taurus 1997 service & repair workshop manual download pdf. Here you'll find wiring schematic regarding; 24905 1997 ford taurus engine diagram wiring resources. 1997 ford taurus wiring diagram. 1997 ford taurus wiring diagrams (online repair manuals) oem drawn wiring diagrams for most 1997 ford taurus cars and light trucks browse the official 1997 ford taurus part catalog and purchase official motorcraft & find wiring diagrams, diagnostic tool support, electrical connectors.

1997 Ford Taurus Mercury Sable Electrical Troubleshooting Manual Wiring Diagrams
1997 Ford Taurus Mercury Sable Electrical Troubleshooting Manual Wiring Diagrams from i.pinimg.com
Herein, the schematic wiring diagrams going to provide are the 1997 ford windstar complete system wiring diagrams. Looking for details regarding 1997 ford taurus radiator diagram? Always verify all wires, wire colors and diagrams before applying any information found here to your 1997 ford taurus. 1997 ford taurus wiring diagrams (online repair manuals) oem drawn wiring diagrams for most 1997 ford taurus cars and light trucks browse the official 1997 ford taurus part catalog and purchase official motorcraft & find wiring diagrams, diagnostic tool support, electrical connectors. Starting guarding against exhaust fumes although odorless and colorless, carbon monoxide is present in exhaust fumes. The following information is currently not available: They do charge a subscription fee, but it was the only place i was able to find some wiring diagrams i needed for a 1997 expedition. Ford flex ford focus ford freestar ford freestyle ford fusion ford mustang ford pickup ford probe ford ranger ford super duty ford taurus ford windstar.

2005 ford taurus mercury sable wiring diagrams manual original.

Check the wire connector located under the dash on the passenger side. Complete wiring diagrams for 1997 ford taurus vehicle. Ive got a 1998 ford taurus 3.0 v6. They do charge a subscription fee, but it was the only place i was able to find some wiring diagrams i needed for a 1997 expedition. July 15th, 2012 posted in ford taurus. View and download ford taurus 1997 owner's manual online. The following information is currently not available: 1997 ford taurus wiring diagrams (online repair manuals) oem drawn wiring diagrams for most 1997 ford taurus cars and light trucks browse the official 1997 ford taurus part catalog and purchase official motorcraft & find wiring diagrams, diagnostic tool support, electrical connectors. To view the free 1997 ford taurus 4dr wagon wire information / wiring information press go. Ford flex ford focus ford freestar ford freestyle ford fusion ford mustang ford pickup ford probe ford ranger ford super duty ford taurus ford windstar. Looking for details regarding 1997 ford taurus radiator diagram? 800 x 600 px, source: Wiring diagrams ford by model.

1997 ford taurus wiring diagram. July 15th, 2012 posted in ford taurus. They do charge a subscription fee, but it was the only place i was able to find some wiring diagrams i needed for a 1997 expedition. View and download ford taurus 1997 owner's manual online. Always verify all wires, wire colors and diagrams before applying any information found here to your 1997 ford taurus.

Ford Taurus 1997 Wiring | Ford, Taurus, Car fix
Ford Taurus 1997 Wiring | Ford, Taurus, Car fix from i.pinimg.com
We'll get you the repair information you need, every time this manual is specific to a 1997 ford taurus. Thank you for choosing wirediagram.com as your source for all your wire info, wire information, wiring info, wiring information, wire colors, color codes. Taurus 1997 automobile pdf manual download. View and download ford taurus 1997 owner's manual online. Ford taurus 1997 wiring pdf contains help for troubleshooting and will support you how to fix your problems immediately. Here you'll find wiring schematic regarding; You could purchase guide engine wiring diagram 97 ford taurus or acquire it as soon as feasible. Data link connector, shift lock actuator, remote anti theft personality.fuel sensor module, blend dock actuator, blower resistor, air temperature door variable resistor, anti theft system.

July 15th, 2012 posted in ford taurus.

On this website you will find only top of the top products. The following circuit shows about fuse panel diagram of 1997 ford taurus. Wiring diagrams ford by model. Taurus 1997 automobile pdf manual download. Ive got a 1998 ford taurus 3.0 v6. The 1997 ford taurus service manual delivered by us it contains the repair manual, parts manual and wiring diagrams in a single pdf file. To view the free 1997 ford taurus 4dr wagon wire information / wiring information press go. How to install replace radiator engine. Color diagram for 93 ford taurus or mercury sable to install new stereo? 2005 ford taurus mercury sable wiring diagrams manual original. 1997 ford taurus wiring diagram. The parts fuse panel consist of: Always verify all wires, wire colors and diagrams before applying any information found here to your 1997 ford taurus.

Iklan Atas Artikel

Iklan Tengah Artikel 1

Iklan Tengah Artikel 2

Iklan Bawah Artikel