Intertherm Thermostat Wiring / How To Locate The C Wire On A Nordyne M1mb Furnace Youtube / I'm replacing my analog intertherm thermostat to a hunter digital.

Intertherm Thermostat Wiring / How To Locate The C Wire On A Nordyne M1mb Furnace Youtube / I'm replacing my analog intertherm thermostat to a hunter digital.. There are no standards for hvac control wiring. May 10, 2019may 10, 2019. Room thermostat installation & wiring guide: Miller furnace parts diagram coleman thermostat wiring diagram goodman thermostat wiring diagram honeywell zone valve wiring. Click on the image to enlarge, and.

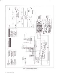
The system is a split system 3 ton straight cool a/c with 15 kw electric. Intertherm thermostat wiring diagram wiring diagram. Wiring in a new thermostat i have an old intertherm thermostat that i am replacing with a new honeywell. Just recently, the thermostat stopped keeping normal. These diagrams depict some commonly used and frequently installed configurations but may not match your hvac system.

Wire A Thermostat
Wire A Thermostat from www.how-to-wire-it.com
Heat pump thermostat wiring explained! A working digital thermostat allows consumers to both monitor and control the heating and. Intertherm m1b series manual online: Intertherm thermostat wiring diagram download. By wiringforumson july 10, 2018 3814 views. Installing and wiring a new intertherm thermostat could save a home owner hundreds of dollars each season. Looking for information about intertherm thermostat wiring diagram? The system is a split system 3 ton straight cool a/c with 15 kw electric.

I have a gas furnace and an ac unit.

• the furnace is designed to be controlled by a 24 vac. There are no standards for hvac control wiring. Looking for information about intertherm thermostat wiring diagram? Understanding thermostat wiring colors is the next step. Intertherm m1b series manual online: Hunter coded as y1, w/b, y/o, rh, rc, g. Intertherm wires coded as g, o, y, e, x, r. In this article, i am going to explain the function and wiring of the most common home climate control thermostats. How to wire a thermostat. Room thermostat installation & wiring guide: The thermostat wiring on these systems can have very similar wiring properties. The old thermostat, an intertherm tb112, is mounted in a wall receptacle, the heater is across the room, all wiring is inside the walls. This article series explains the basics of wiring connections at the thermostat for heating, heat pump, or air conditioning systems.

Click on the image to enlarge, and. Miller furnace parts diagram coleman thermostat wiring diagram goodman thermostat wiring diagram honeywell zone valve wiring. The thermostat wiring on these systems can have very similar wiring properties. Intertherm thermostat wiring diagram … перевести эту страницу. Just recently, the thermostat stopped keeping normal.

2
2 from
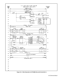
Miller furnace parts diagram coleman thermostat wiring diagram goodman thermostat wiring diagram honeywell zone valve wiring. Schematic coleman electric furnace wiring diagram. Intertherm thermostat wiring diagram … перевести эту страницу. A working digital thermostat allows consumers to both monitor and control the heating and. Bf6b8 intertherm wiring diagram digital resources. Intertherm thermostat wiring diagram download. I have an older (pre 2000) intertherm thermostat in a mobile home. When wiring, each wire should be identified by what terminal(s) it connects to, never by color.

The thermostat wiring on these systems can have very similar wiring properties.

Nordyne mobile home electric furnace wiring intertherm electric. Miller furnace parts diagram coleman thermostat wiring diagram goodman thermostat wiring diagram honeywell zone valve wiring. Intertherm m1b series manual online: There are no standards for hvac control wiring. Thermostat wiring diagram explained new lovely intertherm electric. Click on the image to enlarge, and. Hunter coded as y1, w/b, y/o, rh, rc, g. Installing and wiring a new intertherm thermostat could save a home owner hundreds of dollars each season. Intertherm thermostat wiring diagram download. This information is designed to help you understand the. Wiring in a new thermostat i have an old intertherm thermostat that i am replacing with a new honeywell. How to wire a thermostat. I have an older (pre 2000) intertherm thermostat in a mobile home.

I have an older (pre 2000) intertherm thermostat in a mobile home. I have a intertherm model no. Check out multiple thermostat wiring diagrams as well as in depth video explanations on accurately wiring thermostats for various types of hvac systems! To install your unit, you'll need to connect the correct wires to the terminals on the. Thermostat wiring diagram explained new lovely intertherm electric.

Diagram Atwood 8935 Furnace Wiring Diagram Rv Full Version Hd Quality Diagram Rv Carbeltdiagrams Seewhatimean It
Diagram Atwood 8935 Furnace Wiring Diagram Rv Full Version Hd Quality Diagram Rv Carbeltdiagrams Seewhatimean It from wholefoodsonabudget.com
There are no standards for hvac control wiring. In this article, i am going to explain the function and wiring of the most common home climate control thermostats. May 10, 2019may 10, 2019. The old thermostat, an intertherm tb112, is mounted in a wall receptacle, the heater is across the room, all wiring is inside the walls. Low voltage wiring, connecting thermostat wires, verifying anticipator low voltage wiring. Check out multiple thermostat wiring diagrams as well as in depth video explanations on accurately wiring thermostats for various types of hvac systems! This information is designed to help you understand the. Hunter coded as y1, w/b, y/o, rh, rc, g.

To install your unit, you'll need to connect the correct wires to the terminals on the.

Now the thermostat circuits i will be covering will consist of the two scenarios i mentioned above. The thermostat wiring on these systems can have very similar wiring properties. These diagrams depict some commonly used and frequently installed configurations but may not match your hvac system. Nordyne mobile home electric furnace wiring intertherm electric. Hunter coded as y1, w/b, y/o, rh, rc, g. Understanding thermostat wiring colors is the next step. Thermostat wiring diagram explained new lovely intertherm electric. Click on the image to enlarge, and. Upgrading the original intertherm thermostat in a 1996 belmont homes mobile home. M1mb 056a bw and have bought a hunter thermostat 44360 the intertherm thermostat has a green,red and white wire coming from. This article series explains the basics of wiring connections at the thermostat for heating, heat pump, or air conditioning systems. Schematic coleman electric furnace wiring diagram. When wiring, each wire should be identified by what terminal(s) it connects to, never by color.

Iklan Atas Artikel

Iklan Tengah Artikel 1

Iklan Tengah Artikel 2

Iklan Bawah Artikel