Home
› Boat Switch Wiring Diagram / Navigation Light Wiring For Dual Stations Boat Design Net / A set of wiring diagrams may be required by the electrical inspection authority to agree to relationship of the quarters to the public electrical supply system.
Boat Switch Wiring Diagram / Navigation Light Wiring For Dual Stations Boat Design Net / A set of wiring diagrams may be required by the electrical inspection authority to agree to relationship of the quarters to the public electrical supply system.
Boat Switch Wiring Diagram / Navigation Light Wiring For Dual Stations Boat Design Net / A set of wiring diagrams may be required by the electrical inspection authority to agree to relationship of the quarters to the public electrical supply system.. Boat lift switch wiring diagram. Led with integral 680 ohm resistor). Wiring diagram for outboard ignition switch refrence boat leisure. Tracker boat switch wiring diagrams. There are 3 basic sorts of standard light switches.
Boat wiring diagrams download †wiring diagram is a simplified within acceptable limits pictorial representation of an electrical circuit. • how to wire a boat switch panel. Omc key switch wiring diagram collection. This makes the procedure for building circuit simpler. They all have simple basic wiring diagrams for 12 volt systems.
Zuun6mr41kf0um from cdn.statically.io A very first look at a circuit diagram may be complicated, but if you could read a subway map, you can review schematics. A wiring diagram is a form of schematic which uses abstract pictorial symbols showing all the interconnections of components inside a system. Each of our carling rocker switch bodies have the generic wiring diagram loaded into that product's own page (see photo, right). I'll try and match it up to the top of the motor and the switch. Trailer wiring harness near me. Click on the image to enlarge, and then save it to your computer by right. The function is the same: This is way my '75 115 johnnie works and the diagrams above are consistant with mine.
Small engine key switch wiring wiring diagram load new suzuki outboard key switch wiring wiring diagram mega.
How to wire a boat ignition switch | doityourself after soldering the b terminal, it is time to solder the a terminal. The wiring diagram on the opposite hand is particularly beneficial to an outside electrician. The kill circuit takes primary re: View our collection of helpful rocker switch wiring diagrams. Refine your search for boat battery switch wiring diagram. Boat panel wiring diagram wiring diagram images gallery. Related searches for boat switch wiring diagrams boat ignition switch wiring diagrammarine wiring diagrams for boatsboat switch panel wiring diagramboat lift wiring. Boat lift switch wiring diagram. The white wires are wire nutted together so they can continue the circuit. When you employ your finger or perhaps follow the circuit with your eyes, it's easy to mistrace the circuit. They all have simple basic wiring diagrams for 12 volt systems. A wiring diagram generally offers details concerning the loved one setting as well as setup of devices and terminals on the gadgets, in order to size: Print the electrical wiring diagram off plus use highlighters to be able to trace the circuit.
The basics of boat wiring. Covers planning, diagrams, wiring, batteries, ignition protection and more. I am not sure what. Wiring switch panel in boat wiring switch panel boat install switch panel boat installing switch panel in boat wiring up boat switch panel www.forgenorth.co. Small engine key switch wiring wiring diagram load new suzuki outboard key switch wiring wiring diagram mega.
Tracker Boat Switch Wiring Diagrams Page 2 Line 17qq Com from img.17qq.com The boating forum wiring diagram for johnson ignition well i purchased back my old boat. Boat navigation light wiring diagram wiring diagram. Small engine key switch wiring wiring diagram load new suzuki outboard key switch wiring wiring diagram mega. The function is the same: .alternator wiring diagram from standard boat ignition switch wiring diagram , source:pinterest.com 30 fantastic 1967 camaro ignition switch wiring diagram , source:dcwestyouth.com boat audio wiring diagram from standard boat ignition switch wiring diagram , source:kgmsa.com marine. Yamaha outboard key switch wiring get rid of wiring. Related searches for boat switch wiring diagrams boat ignition switch wiring diagrammarine wiring diagrams for boatsboat switch panel wiring diagramboat lift wiring. There are 3 basic sorts of standard light switches.
Print the electrical wiring diagram off plus use highlighters to be able to trace the circuit.
• how to wire a boat switch panel. Standard five switch panels boat panel wiring diagram. The white wires are wire nutted together so they can continue the circuit. Rocker switch wiring diagrams as a resource for our customers, we provide below a collection of explanations, wiring diagrams, how to videos, etc of some of the most common carling rocker switches that we sell. Click on the image to enlarge, and then save it to your computer by right. Here is a wiring diagram of how the internal switching and lamp wiring is connected. View our collection of helpful rocker switch wiring diagrams. Boat switch wiring diagram from cdn.shopify.com. Yamaha outboard key switch wiring get rid of wiring. And we also consider you came here were trying to find these details, are not you? The kill circuit takes primary re: Omc key switch wiring diagram collection. A wiring diagram generally offers details concerning the loved one setting as well as setup of devices and terminals on the gadgets, in order to size:
A very first look at a circuit diagram may be complicated, but if you could read a subway map, you can review schematics. It shows that the parts of the circuit because simplified contours, and also the power and signal connections between the devices. The basics of boat wiring. This makes the procedure for building circuit simpler. Omc key switch wiring diagram collection.
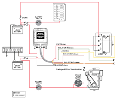
Dimmer Illuminated Rocker Switch Contura V New Wire Marine from newwiremarine.com This allows you to open the switch turning everything. Rocker switch wiring diagrams as a resource for our customers, we provide below a collection of explanations, wiring diagrams, how to videos, etc of some of the most common carling rocker switches that we sell. • how to wire a boat switch panel. However, this diagram is a simplified variant of this structure. The function is the same: How to wire your own boat. Getting from factor a to direct b. While written specifically for a boat's navigation and anchor switch, this wiring diagram will also be helpful for other industries or vehicles.
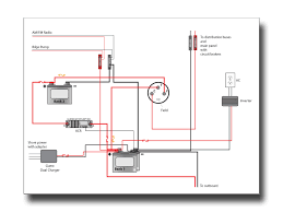
Variety of boat lift switch wiring diagram.
Tracker boat switch wiring diagrams. Print the electrical wiring diagram off plus use highlighters to be able to trace the circuit. Therefore, from wiring diagrams, you understand the relative location of the constituents and the way they're connected. A wiring diagram is a form of schematic which uses abstract pictorial symbols showing all the interconnections of components inside a system. Refine your search for boat battery switch wiring diagram. While written specifically for a boat's navigation and anchor switch, this wiring diagram will also be helpful for other industries or vehicles. Variety of boat lift switch wiring diagram. How to wire a boat ignition switch | doityourself after soldering the b terminal, it is time to solder the a terminal. A very first look at a circuit diagram may be confusing, however if you could read a train map, you can check out schematics. A set of wiring diagrams may be required by the electrical inspection authority to agree to relationship of the quarters to the public electrical supply system. 59 unique basic ignition switch wiring diagram. In nearly all cases your boat wiring system should have a marine grade main battery disconnect switch. Trailer wiring harness near me.