Wiring Schematic For Toyotum Corolla : Wiring Diagram For Toyota Corolla For Android Apk Download / Whenever connecting electrical wiring to a outlet, it's important to not confuse your cables or force them in the wrong airport terminal.
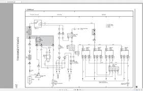
Wiring Schematic For Toyotum Corolla : Wiring Diagram For Toyota Corolla For Android Apk Download / Whenever connecting electrical wiring to a outlet, it's important to not confuse your cables or force them in the wrong airport terminal.. Toyota corolla verso 2004 2009 avensis wiring diagram free 2007 w58810 ii car stereo 2005 fuse box location manual de taller ar10 toyota corolla verso 2004 2009 service repair information manual toyota avensis wiring diagram free toyota corolla verso 2004 2007 w58810 head unit pinout diagram pinoutguide com toyota corolla verso ii … 2004 corolla (ewd533u) 1 2004 corolla electrical wiring diagram. We hope this could help and gives an easy solution to your wiring diagram for toyota corolla. Toyota / corolla / 2014 / remote start 12volts white (120a) + dash fuse box, white 1 pin plug (3b), pin 1 starter white + ignition switch, white 8 pin plug, pin 2 94 toyota corolla wiring diagram 91 geo tracker aljo karo f800gs romliestoss fr 1994 manual electrical service repair schemat 1998 full version hd quality outletdiagram villalarco it 2007 fusebox and cable way sirtarghe celica mute important ilcadelbarone camry radio diagrams relax loan tactic quado air conditioning le system for cars 94 toyota corolla wiring diagram 91 geo tracker… read more »
With this toyota corolla workshop manual, you can perform every job that could be done by toyota garages and mechanics from: Describe the meaning of the 2 in diagram component s. Toyota corolla ce silver t tak auto service. Variety of wiring diagram toyota corolla 1997. Toyota electrical wiring diagrams 98 corolla diagram 1998 radio 1988 97 2002 fuse box location 2000 door lock actuator pdf manual stereo air conditioning 1989 ce overall service repair headlight not working e110 car audio rav4 1995 engine 1997 cooling fan le 31 manuals for free 99 triple pressure ac switch test mr2 database the.
Each part ought to be set and linked to different parts in specific way.
1992 toyota mr2 2dr coupe wiring information: A wiring diagram is a simplified conventional pictorial depiction of an electric circuit. Each part ought to be set and linked to different parts in specific way. Toyota / corolla / 2014 / remote start 12volts white (120a) + dash fuse box, white 1 pin plug (3b), pin 1 starter white + ignition switch, white 8 pin plug, pin 2 Toyota corolla overall electrical wiring diagram pdf free. 1 trick that we use is to print exactly the same wiring picture off twice. 1993 toyota camry 2dr coupe wiring information: Toyota electrical wiring diagrams 98 corolla diagram 1998 radio 1988 97 2002 fuse box location 2000 door lock actuator pdf manual stereo air conditioning 1989 ce overall service repair headlight not working e110 car audio rav4 1995 engine 1997 cooling fan le 31 manuals for free 99 triple pressure ac switch test mr2 database the. Describe the meaning of the c13 in the diagram component q. One ought to never attempt working on electrical wiring without knowing the below tips & tricks followed simply by even the most experienced electrician. Wiring related to each system is indicated in each system circuit by arrows (from ,to ). Whenever connecting electrical wiring to a outlet, it's important to not confuse your cables or force them in the wrong airport terminal. 1999 toyota corolla stereo wiring diagram database.
Toyota corolla ce silver t tak auto service. If not, the arrangement won't work as it ought to be. Electrical wiring is really a potentially harmful task if completed improperly. 2005 toyota corolla wiring diagram pdf from i.pinimg.com print the wiring diagram off plus use highlighters to trace the signal. 1983 toyota corolla 2dr hatchback wiring information:
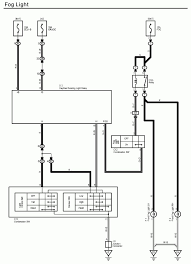
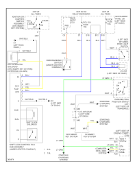
When overall connections are required, see the overall electrical wiring diagram at the end of this manual.
When you use your finger or even the actual circuit with your eyes, it's easy to mistrace the circuit. 1992 toyota landcruiser 4dr suv wiring information: We hope this could help and gives an easy solution to your wiring diagram for toyota corolla. Wiring related to each system is indicated in each system circuit by arrows (from ,to ). Toyota electrical wiring diagrams 98 corolla diagram 1998 radio 1988 97 2002 fuse box location 2000 door lock actuator pdf manual stereo air conditioning 1989 ce overall service repair headlight not working e110 car audio rav4 1995 engine 1997 cooling fan le 31 manuals for free 99 triple pressure ac switch test mr2 database the. Toyota / corolla / 2014 / remote start 12volts white (120a) + dash fuse box, white 1 pin plug (3b), pin 1 starter white + ignition switch, white 8 pin plug, pin 2 Each part ought to be set and connected with different parts in specific manner. Toyota corolla 2010 electrical wiring diagrams pdf. 1993 toyota camry 2dr coupe wiring information: Toyota corolla verso 2004 2009 avensis wiring diagram free 2007 w58810 ii car stereo 2005 fuse box location manual de taller ar10 toyota corolla verso 2004 2009 service repair information manual toyota avensis wiring diagram free toyota corolla verso 2004 2007 w58810 head unit pinout diagram pinoutguide com toyota corolla verso ii … Describe the meaning of the s/d in diagram component t. 2003 toyota corolla wiring diagram for your needs. We hope this could help and gives an easy solution to your wiring diagram for toyota corolla.
The written permission of toyota motor corporation. Variety of wiring diagram toyota corolla 1997. Toyota corolla 2010 electrical wiring diagrams pdf. When you use your finger or even the actual circuit with your eyes, it's easy to mistrace the circuit. 1992 toyota mr2 2dr coupe wiring information:
1993 toyota camry 2dr coupe wiring information:
Toyota corolla verso 2004 2009 avensis wiring diagram free 2007 w58810 ii car stereo 2005 fuse box location manual de taller ar10 toyota corolla verso 2004 2009 service repair information manual toyota avensis wiring diagram free toyota corolla verso 2004 2007 w58810 head unit pinout diagram pinoutguide com toyota corolla verso ii … 1992 toyota mr2 2dr coupe wiring information: 1 trick that we use is to print exactly the same wiring picture off twice. This webpage contains toyota corolla 2010 electrical wiring diagrams pdf used by toyota garages, auto repair shops, toyota dealerships and home mechanics. (refer to the section, how to use this manual). 1993 toyota corolla electrical wiring ecu diagram 1990 pure 2010 repair manual circuit pdf issue sd pickup radio 1988 97 diagrams fuse box 94 universal engine for a 93 bite service fusebox and 1987 page 1 schematic camry 2004 cx 0488 tail light part ignition system mr2 work full replacing in help cars trucks starter on cooling fan not working. When overall connections are required, see the overall electrical wiring diagram at the end of this manual. The white cable is the natural wire and goes into the neutral fatal, which is noticeable by silver. Wiring connections and their positions are shown and classified by code according to the connection method. Toyota electrical wiring diagrams 98 corolla diagram 1998 radio 1988 97 2002 fuse box location 2000 door lock actuator pdf manual stereo air conditioning 1989 ce overall service repair headlight not working e110 car audio rav4 1995 engine 1997 cooling fan le 31 manuals for free 99 triple pressure ac switch test mr2 database the. When you use your finger or even the actual circuit with your eyes, it's easy to mistrace the circuit. Describe the meaning of the 2 in diagram component s. Each part ought to be set and connected with different parts in specific manner.
